Korg-NX5R–NS5R-Service-使用说明书手册维修手册电气原理图

Korg-NX5R--NS5R-Service-使用说明书手册维修手册电气原理图-找手册网
Korg-NX5R–NS5R-Service-使用说明书手册维修手册电气原理图
此内容为付费资源,请付费后查看
1921
付费资源

第1页 / 共7页

第2页 / 共7页

第3页 / 共7页

第4页 / 共7页

第5页 / 共7页

第6页 / 共7页

第7页 / 共7页
已完成全部阅读,共7
THE END
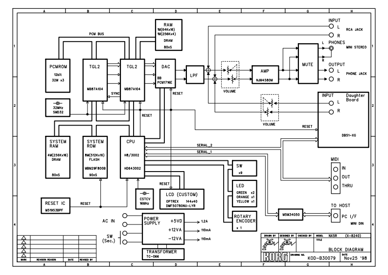
Service ManualNX5RCONTENTS1)Structural Diagram ----refer to NS5R2)Block Diagram --------23)Circuit Diagram -------34)Diagnostics-----------45)Parts List-------------5Revision:1.00Issued date:Aug.24.1999Issued by:KORG INC.
喜欢就支持一下吧
评论 抢沙发

请登录后发表评论

    请登录后查看评论内容