

第1页 / 共18页

第2页 / 共18页

第3页 / 共18页

第4页 / 共18页

第5页 / 共18页

第6页 / 共18页

第7页 / 共18页

第8页 / 共18页

第9页 / 共18页

第10页 / 共18页
试读已结束,还剩8页,您可下载完整版后进行离线阅读
THE END
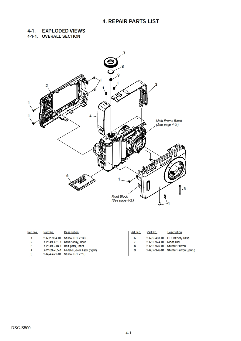
DSC-S500SERVICE MANUALUS ModelVer1.22006.09Canadian ModelRevision HistorySONYAEP Model6.0UK ModelHow to useAcrobat ReaderEModelAustralian ModelCyber.shotHong Kong ModelInternal memoryKorea ModelON BOARDLinkSPECIFICATIONSDISASSEMBLYREPAIR PARTS LISTSERVICE NOTEBLOCK DIAGRAMSThe components identified byLes composants identifies par unemark Aor dotted line withmarkare critical for safety.marque sont critiques pour laReplace only with part num-mplacer ue pa une pieceber specified.portant le numero specifie.In case of the lens assembly,main board,or main frame assembly failure,contact your local Sony Service Headquarter for the measures.DIGITAL STILL CAMERASONYDSC-S500200610800-102006.099-852.124-12Sony EMCS Co.Published by Kohda TEC
请登录后查看评论内容