Yorkville-MM4-Powered-Mixer-Service-Manual维修服务手册说明书含电器原理图

Yorkville-MM4-Powered-Mixer-Service-Manual维修服务手册说明书含电器原理图-找手册网
Yorkville-MM4-Powered-Mixer-Service-Manual维修服务手册说明书含电器原理图
此内容为付费资源,请付费后查看
1921
立即购买
您当前未登录!建议登陆后购买,可保存购买订单
付费资源

第1页 / 共10页

第2页 / 共10页

第3页 / 共10页

第4页 / 共10页

第5页 / 共10页

第6页 / 共10页

第7页 / 共10页

第8页 / 共10页

第9页 / 共10页

第10页 / 共10页
已完成全部阅读,共10
THE END
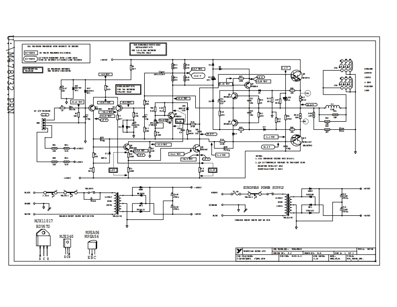
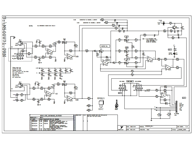
SERVICE MANUAL4 ChannelPowered Mixer1.Parts List (Curent Modd)2.M500 lnput Boand.M500 Sehemate.M500 PCB LayoutWEB ACCESS:http//wwww.yorkville.com3.M1098 Power Amp Board.M1008 SehemateM1038 PCB Layout4.M520 Power Amp Bourd (older wersion)WORLDHEADOUARTERS12osereeeCANADAUSA+M520 PCB Layout5.M478 Power Amp Bourd (ollder version)Yorkville SoundYorkville SoundInc..M478 Schemate550 Grante Court4625 Wiamor Industial Estat.M478 PCB LayouPickoring.OntatoNagsm Falls,Now YorkL1W3Y8 CANADA14305U5AVctg3083.8481Volce71旬2972920FC30的8878746Fac71间2973589C:°MM4☒YorkvllleQuality and Innovation Since 1963Pmueincna5组
喜欢就支持一下吧
评论 抢沙发

请登录后发表评论

    请登录后查看评论内容