

第1页 / 共29页

第2页 / 共29页

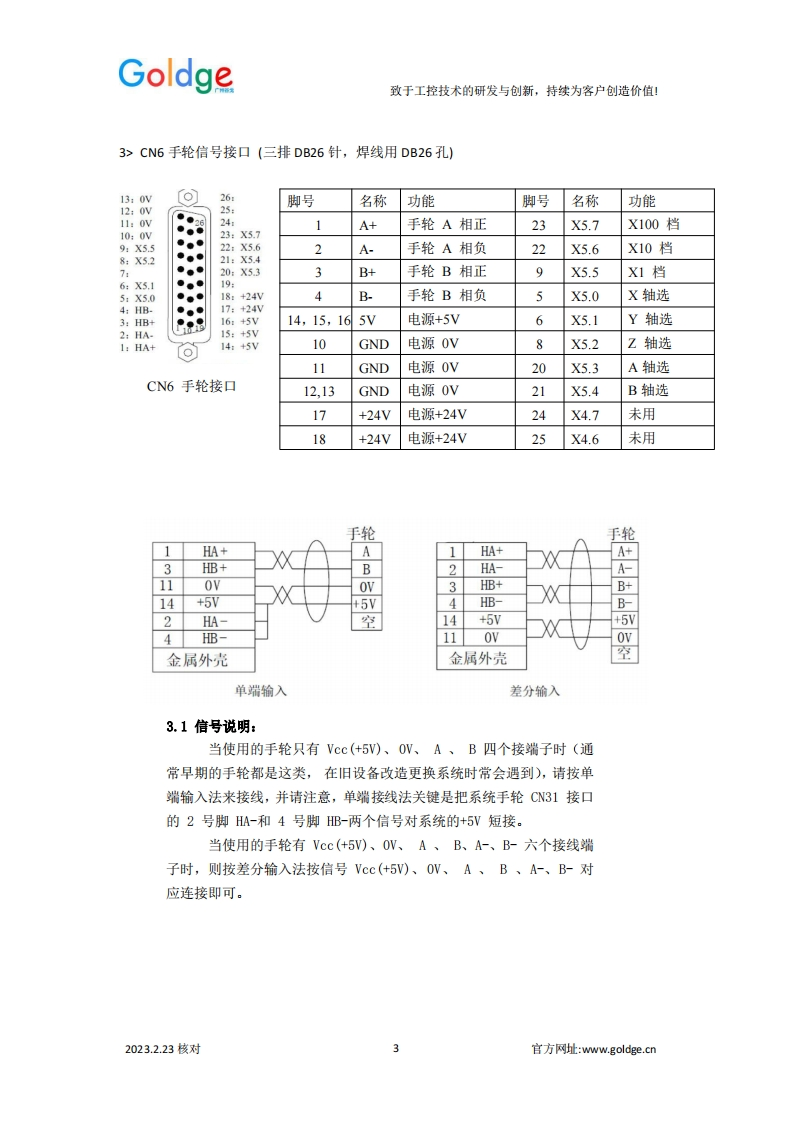
第3页 / 共29页

第4页 / 共29页

第5页 / 共29页

第6页 / 共29页

第7页 / 共29页

第8页 / 共29页

第9页 / 共29页

第10页 / 共29页
试读已结束,还剩19页,您可下载完整版后进行离线阅读
THE END
Goldge致于工控技术的研发与创新,持续为客户创造价值!EtherCAT总线车床系统补充说明总线式车削类系统规格表系统技类别980TPi980TP3i218TPi规格总线控制轴数23+1(总线主轴)4+1(总线主轴)脉冲控制轴数(主轴)11(同步于总线主轴)1(同步于总线主轴)模拟主轴122编码器接口111直线联动轴292圆孤联动轴222EtherCAT从站I0(标配1个)1/0:32/321/0:32/321/0:32/32手轮接口输入:8输入:8输入:8附加面板输入输入:12输入:12输入:12显示屏彩色8英寸彩色8英寸彩色8英寸刚性攻丝☑☑☑刚性螺纹G36☑☑☑扁方车削G45/46☒☑☑4-8工位电动刀架/排刀☑☑☑六鑫液压刀塔☑☑☑AK31刀架☑☑☑伺服刀架☑☑☑0-10W模拟电压☑☑☑编码器1路1路1路在线PLC功能☑☑☑USB功能☑☑☑G65宏程序(A宏)☑☑☑表达式宏程序(B宏)☑☑☑2023.2.23核对官方网址:www.goldge..cn
请登录后查看评论内容