

第1页 / 共20页

第2页 / 共20页

第3页 / 共20页

第4页 / 共20页

第5页 / 共20页

第6页 / 共20页

第7页 / 共20页

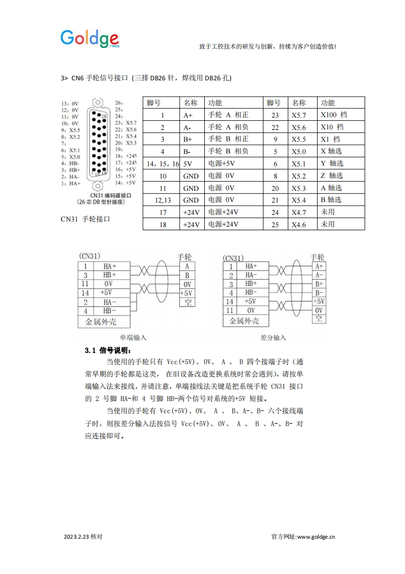
第8页 / 共20页

第9页 / 共20页

第10页 / 共20页
试读已结束,还剩10页,您可下载完整版后进行离线阅读
THE END
Goldge致于工控技术的研发与创新,持续为客户创造价值!EtherCAT总线铣床系统补充说明总线式铣削类系统规格表系统技类别980MP3i/-V)218MPi/-V)规格总线控制轴数3+1(总线主轴)4+1(总线主轴)脉冲控制轴数(主轴)1(同步于总线主1(同步于总线主轴)轴)模拟主轴(0~10V)22编码器接口17直线联动轴45圆弧联动轴39EtherCAT从站I0(标配1个)1/0:32/321/0:32/32手轮接口输入:8输入:8附加面板输入输入:12输入:12显示屏彩色8英寸彩色8英寸主轴倍率拨码开关☒进给倍率拨码开关因☒模式选择拔码开关因因快速倍率拨码开关☒☒刚性攻丝☑☑排刀库☑☑斗笠式刀库☑☑圆盘式刀库☑☑编码器1路1路在线PLC功能☑☑USB功能☑☑G65宏程序(A宏)☑☑表达式宏程序(B宏)☑☑2023.2.23核对官方网址:www.goldge..cn
请登录后查看评论内容