

第1页 / 共29页

第2页 / 共29页

第3页 / 共29页

第4页 / 共29页

第5页 / 共29页

第6页 / 共29页

第7页 / 共29页

第8页 / 共29页

第9页 / 共29页

第10页 / 共29页
试读已结束,还剩19页,您可下载完整版后进行离线阅读
THE END
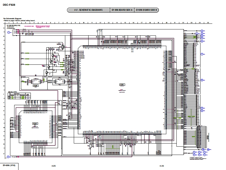
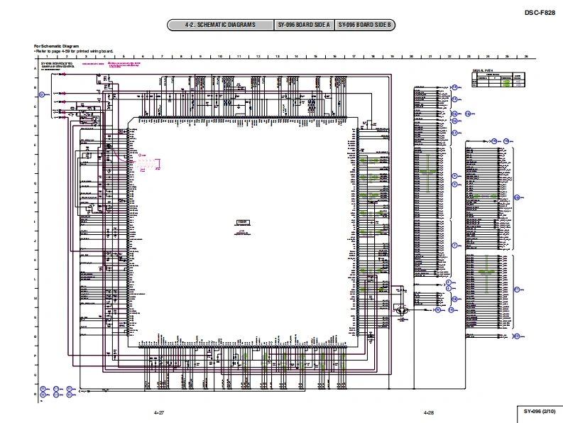
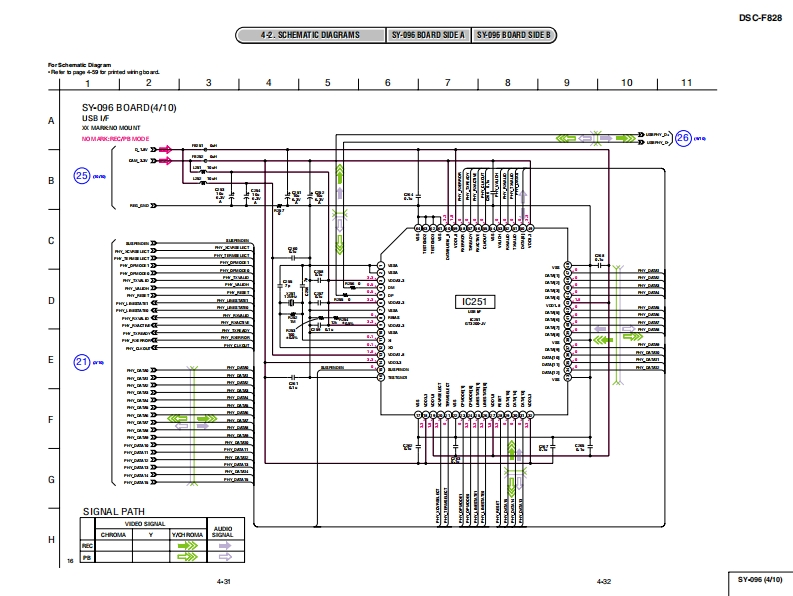
DSC-F828SERVICE MANUALLEVEL 3US ModelVer1.02003.12Canadian ModelRevision HistoryAEP ModelUK ModelHow to useSONYEModelAcrobat ReaderHong Kong ModelAustralian ModelKorea ModelTourist ModelChinese ModelJapanese ModelLinkSCHEMATIC DIAGRAMSPRINTED WIRING BOARDSREPAIR PARTS LISTFor ADJUSTMENTS (SECTION 6),refer to SERVICE MANUAL,ADJ(987627951.pdf).For INSTRUCTION MANUAL,refer to SERVICE MANUAL,LEVEL 1(987627941.pdf).Reference No.search on printed wiring boards is available.The information that is not described in this Service Manual is describedin the LEVEL 2 Service Manual.When repairing,use this manual together with LEVEL 2 Service Manual.Contents of LEVEL 2 Service Manual1.SERVICE NOTE2.DISASSEMBLYOVERALL3.BLOCK DIAGRAMSPOWERDD-204.LR-018.ST-088.LS-067.MT-067,S-037UA-003,LB-091,CF-097.SW-410.AJ-007 BOARD4.PRINTED WIRING BOARDS ANDAS-050 BOARD,FP-756 FLEXIBLE,CONTROLSCHEMATIC DIAGRAMSSWITCH BLOCK(TOP)/(MID)/(UNDER)(SCHEMATIC DIAGRAM ONLY)FP-748 BOARD (PRINTED WIRING BOARD ONLY)5.REPAIR PARTS LISTEXPLODED VIEWSELECTRICAL PARTS LISTDIGITAL STILL CAMERASONY
请登录后查看评论内容