Yorkville-MP-8DX-Powered-Mixer-Service-Manual维修服务手册说明书含电器原理图

Yorkville-MP-8DX-Powered-Mixer-Service-Manual维修服务手册说明书含电器原理图-找手册网
Yorkville-MP-8DX-Powered-Mixer-Service-Manual维修服务手册说明书含电器原理图
此内容为付费资源,请付费后查看
1921
立即购买
您当前未登录!建议登陆后购买,可保存购买订单
付费资源

第1页 / 共10页

第2页 / 共10页

第3页 / 共10页

第4页 / 共10页

第5页 / 共10页

第6页 / 共10页

第7页 / 共10页

第8页 / 共10页

第9页 / 共10页

第10页 / 共10页
已完成全部阅读,共10
THE END
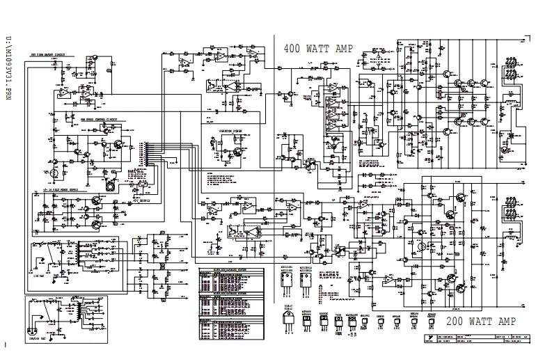
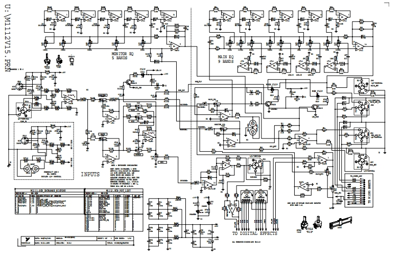
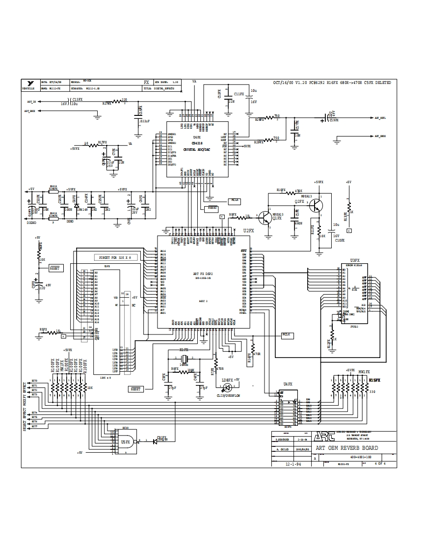
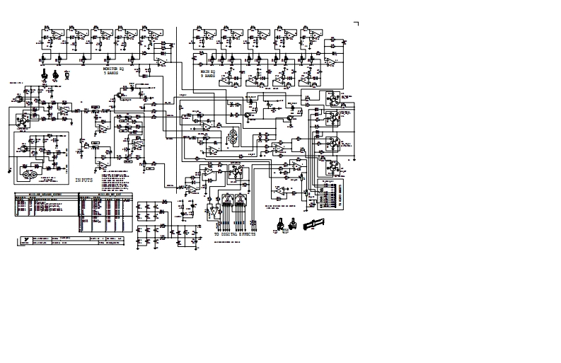
SERVICE MANUALP8DX 300oR8 ChannelYorkvillePowered MixerWEB ACCESS:http://www.yorkville.comWORLD HEADQUARTERSCANADAUSAYorkville SoundYorkville Sound Inc.50 Gmanise Court4625 Witmer Industrial Estate话:话Rdcerng.OntarioNagara Fall,Now YorkL1W-3Y8 CANADA14305U5A程ocg(9058378481Vctg71间297.2920YMP8x巴Fc(90)8378746F1c71297.3589YorkvilleQuality and Innovation Since 1963
喜欢就支持一下吧
评论 抢沙发

请登录后发表评论

    请登录后查看评论内容