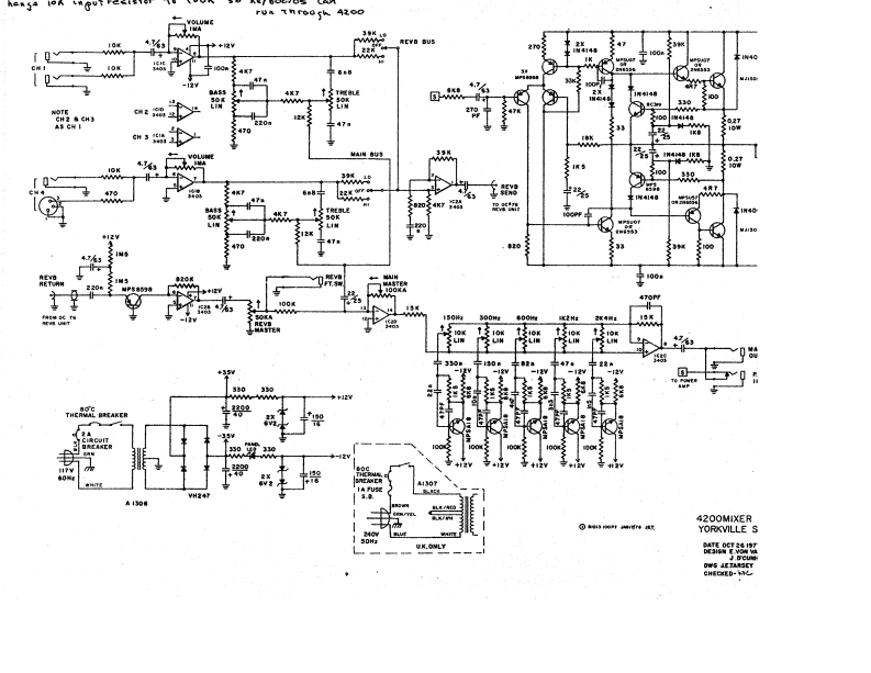
Yorkville-MX-4200-Mixer-Amp-Schematic电器原理图找手册网23小时前发布关注私信60.60KB1页036Yorkville-MX-4200-Mixer-Amp-Schematic电器原理图此内容为付费资源,请付费后查看¥19¥21黄金会员免费钻石会员免费立即购买您当前未登录!建议登陆后购买,可保存购买订单付费资源 第1页 / 共1页 已完成全部阅读,共1页 THE ENDACCUPHASE/Yorkville 文本预览 4200IMA43隆Y05U5221410474了24LIN130NOTEGH2传CH341420527A第CWI474702MAIN BUS40270有47968器47W14852024050KLIN12470632000NET220%003K50303012TEAKER1217V0AU纪4200MIXER04厚时特:时体我式YORKVILLE SǚueOWS JETARSEY 查看更多 收起部分 喜欢就支持一下吧收藏
请登录后查看评论内容