Yorkville-NX300-Service-Manual维修服务手册说明书含电器原理图

Yorkville-NX300-Service-Manual维修服务手册说明书含电器原理图-找手册网
Yorkville-NX300-Service-Manual维修服务手册说明书含电器原理图
此内容为付费资源,请付费后查看
1921
立即购买
您当前未登录!建议登陆后购买,可保存购买订单
付费资源

第1页 / 共5页

第2页 / 共5页

第3页 / 共5页

第4页 / 共5页

第5页 / 共5页
已完成全部阅读,共5
THE END
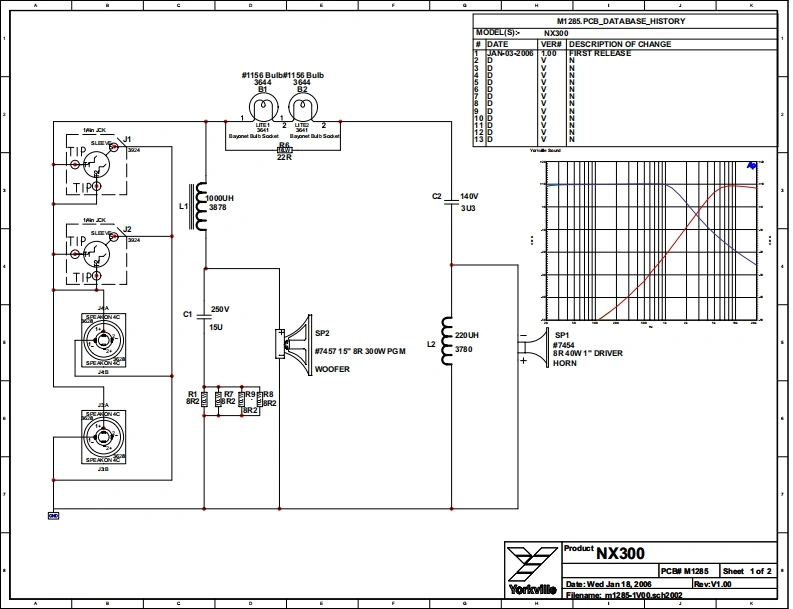
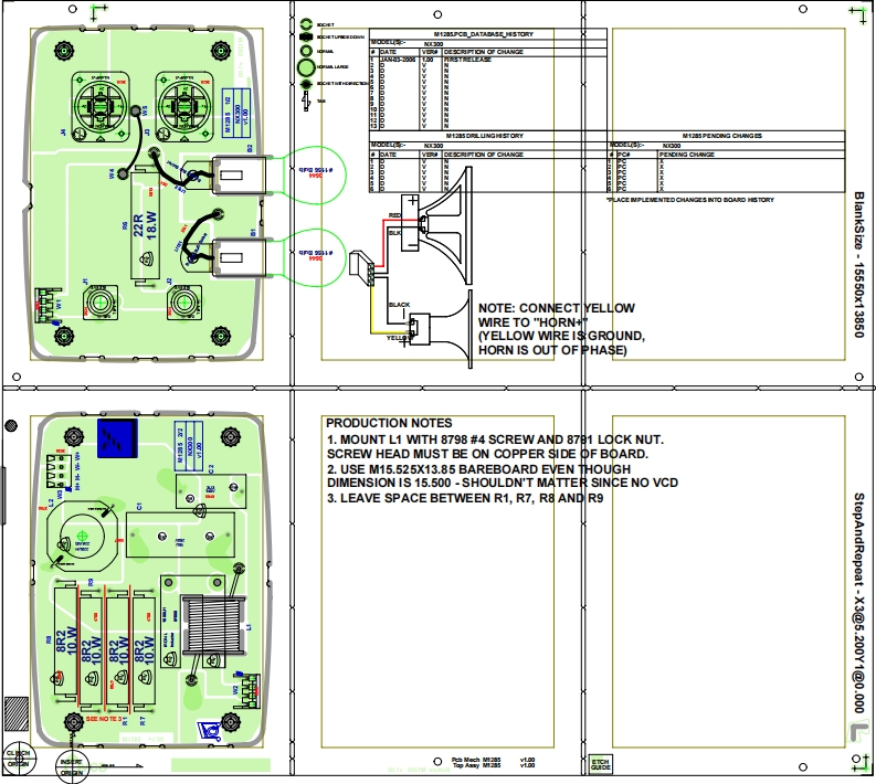
YorkvllleSERVICE MANUALnx300WEB ACCESS:http://www.yorkville.comWORLD HEADQUARTERSCANADAUSAYorkville SoundYorkville Sound Inc.550 Grante Court4625 Witmer Industrial EstatePickoring.OntstoNagam Fall,NowYorkL1WABY8 CANADA14305UsA6l0r30583.84816cg(716间2972920Fc30间8378746FC(71旬2973589YorkvllleQuality and Innovation Since 1963MwwlN:e n dhEpif
喜欢就支持一下吧
评论 抢沙发

请登录后发表评论

    请登录后查看评论内容