

第1页 / 共49页

第2页 / 共49页

第3页 / 共49页

第4页 / 共49页

第5页 / 共49页

第6页 / 共49页

第7页 / 共49页

第8页 / 共49页

第9页 / 共49页

第10页 / 共49页
试读已结束,还剩39页,您可下载完整版后进行离线阅读
THE END
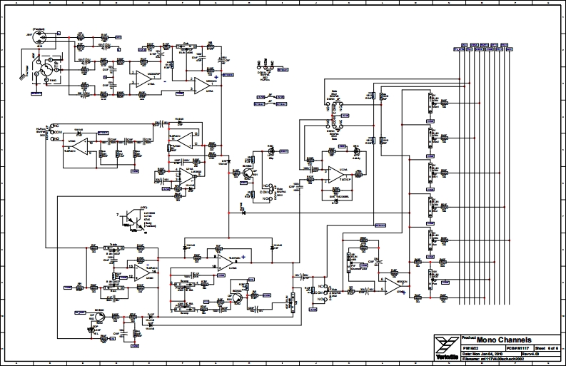
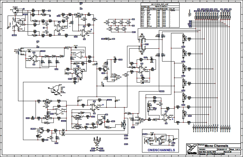
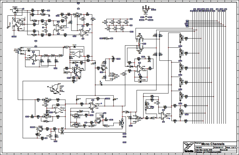
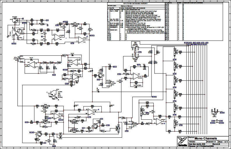
YorkvllleSERVICE MANUALMODEL TYPE:YS1011PM16-2&PM22-2WEB ACCESS:http://www.yorkville .comoo oo oo8WORLD HEADQUARTERSCANADAUSAYorkville SoundYorkville Sound Inc.550 Grante Court4625 Wtmer Industrial EstatePickering,OntaroNagara Falls,New'YorkL1W3YB CANADA14305U5A6lar305837.84816cc(71间297-2920Fac3058378746FaC(71旬297-3559YorkvllleQuality and Innovation Since 1963e41-5-w1-2-2-2--1r1-f
请登录后查看评论内容