Yorkville-Unity-PA-Processor-Service-Manual维修服务手册说明书含电器原理图

Yorkville-Unity-PA-Processor-Service-Manual维修服务手册说明书含电器原理图-找手册网
Yorkville-Unity-PA-Processor-Service-Manual维修服务手册说明书含电器原理图
此内容为付费资源,请付费后查看
1921
立即购买
您当前未登录!建议登陆后购买,可保存购买订单
付费资源

第1页 / 共10页

第2页 / 共10页

第3页 / 共10页

第4页 / 共10页

第5页 / 共10页

第6页 / 共10页

第7页 / 共10页

第8页 / 共10页

第9页 / 共10页

第10页 / 共10页
已完成全部阅读,共10
THE END
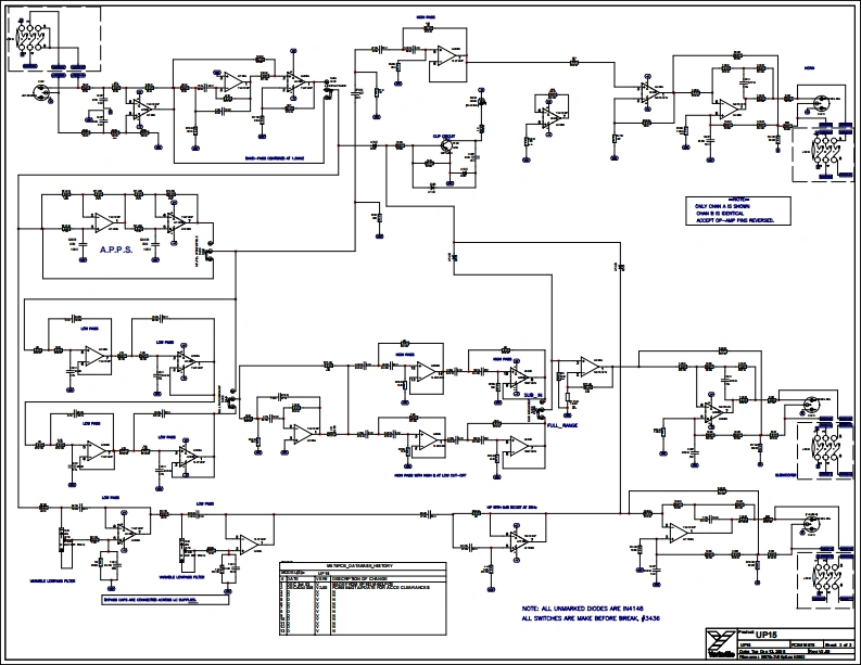
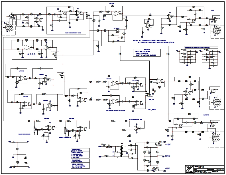
unitySERVICE MANUALWEB ACCESS:http://www.yorkville.comWORLD HEADOUARTERSCANADAUS.AunityYorkville SoundYorkville Sound Inc.Zunity550 Gmanine Court4625 tmor Indus包EaoPidcerng.OntarioNagara Fals,Now YorkL1W-3Y8 CANADA14305UsAVatc(g083784816ag716间297:2920FC3058378746Fc71间2973589TYPE:EP160PR▣CESS▣RSYorkvillePROFESSIONAL BALANCED SOUND PROCESSING SYSTEMQuality and Innovation Since 1963Prirtadn Canada
喜欢就支持一下吧
评论 抢沙发

请登录后发表评论

    请登录后查看评论内容