Yorkville-xm200–200t-Service-Manual维修服务手册说明书含电器原理图

Yorkville-xm200--200t-Service-Manual维修服务手册说明书含电器原理图-找手册网
Yorkville-xm200–200t-Service-Manual维修服务手册说明书含电器原理图
此内容为付费资源,请付费后查看
1921
立即购买
您当前未登录!建议登陆后购买,可保存购买订单
付费资源

第1页 / 共9页

第2页 / 共9页

第3页 / 共9页

第4页 / 共9页

第5页 / 共9页

第6页 / 共9页

第7页 / 共9页

第8页 / 共9页

第9页 / 共9页
已完成全部阅读,共9
THE END
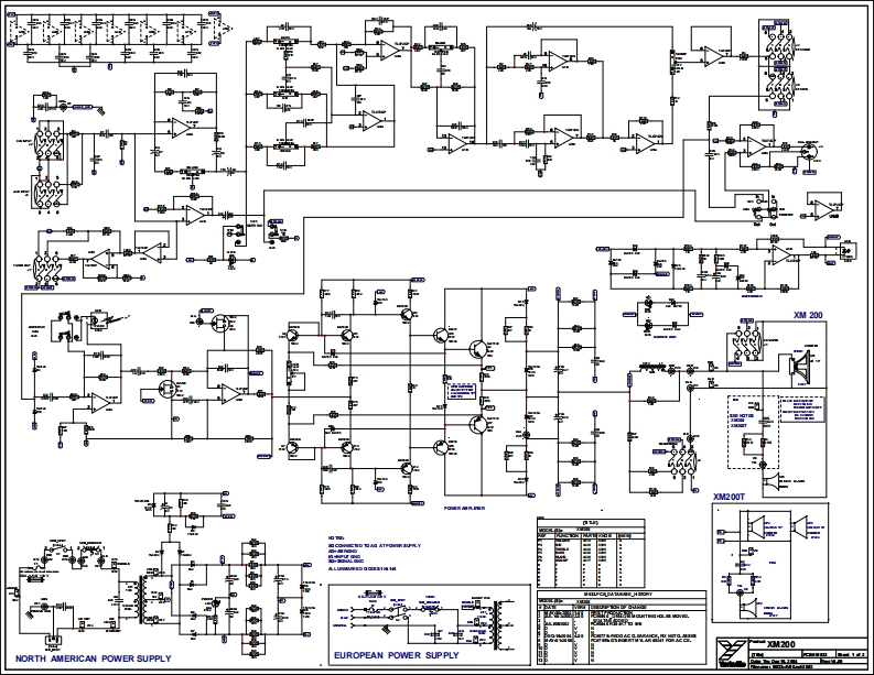
YorkvllleSERVICE MANUALxm200/xm200tWEB ACCESS:http://www.yorkville.comWORLD HEADQUARTERSCANADAUSAYorkville SoundYorkville Sound Inc.550 Grante Court4625 Womer Industlal Estate900900999Pickering.OntaroNagara Falls,New YorkL1W3Y8 CANADA14305U5AVatg30837.8481vaag71间2972920FaC30837.8746F3CT1间297-3589YorkvllleQuality and Innovation Since 1963Mnal-Sero-m20-xn2008-1 60pd
喜欢就支持一下吧
评论 抢沙发

请登录后发表评论

    请登录后查看评论内容