NIKON尼康数码相机AF-35mm-f2D维修手册零部件手册

NIKON尼康数码相机AF-35mm-f2D维修手册零部件手册-找手册网
NIKON尼康数码相机AF-35mm-f2D维修手册零部件手册
此内容为付费资源,请付费后查看
1921
立即购买
您当前未登录!建议登陆后购买,可保存购买订单
付费资源

第1页 / 共11页

第2页 / 共11页

第3页 / 共11页

第4页 / 共11页

第5页 / 共11页

第6页 / 共11页

第7页 / 共11页

第8页 / 共11页

第9页 / 共11页

第10页 / 共11页
试读已结束,还剩1页,您可下载完整版后进行离线阅读
THE END
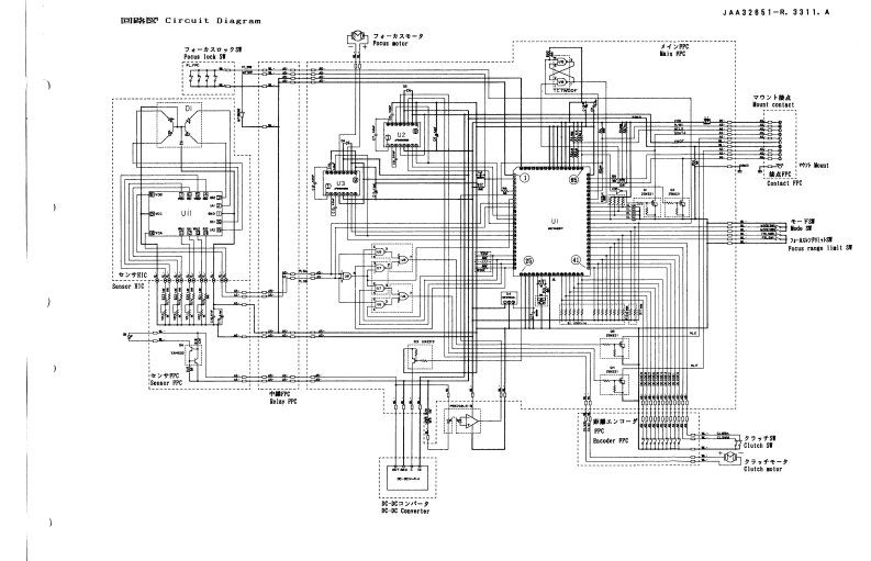
JAA12951-R.3373.A作成承認印配布許可印汁一兰又我GMAF Nikkor 35mm f/2 DAisREPAIR MANUAL修理指針NKO NIKON CORPORATIONTokyo.Japan©Copyright1995ALL RIGHTS RESERVEDPrinted in Japan Feb.1995
喜欢就支持一下吧
评论 抢沙发

请登录后发表评论

    请登录后查看评论内容