Yorkville-YS-118PW-Powered-Subwoofer-Service-Manual维修服务手册说明书含电器原理图

Yorkville-YS-118PW-Powered-Subwoofer-Service-Manual维修服务手册说明书含电器原理图-找手册网
Yorkville-YS-118PW-Powered-Subwoofer-Service-Manual维修服务手册说明书含电器原理图
此内容为付费资源,请付费后查看
1921
立即购买
您当前未登录!建议登陆后购买,可保存购买订单
付费资源

第1页 / 共4页

第2页 / 共4页

第3页 / 共4页

第4页 / 共4页
已完成全部阅读,共4
THE END
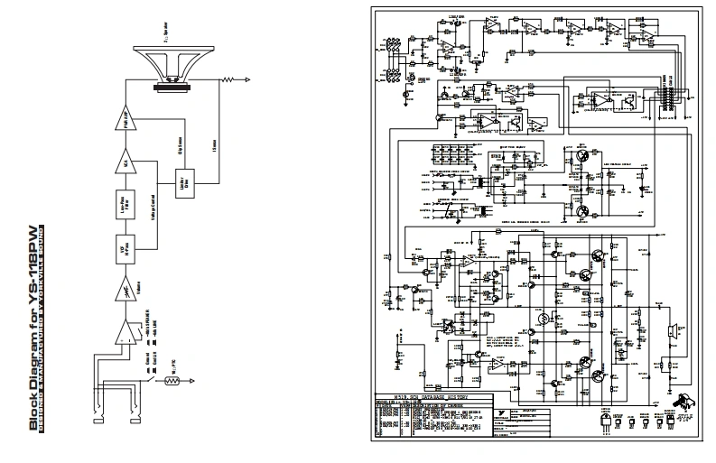
YS-118PW200 WATT POWERED SUBWOOFER1.Parb山t2.Block Diagram3.m519 schematic4.m519 pcb5.contact informationWORLD HEADQUARTERSCANADAUSAYorkville SoundYorkville Sound Inc.550 Granite Cout4625 tmer Industial色atePickerng,OntarioNagara Fals,New YorkL1W-3Y8 CANADA14305U5AVolce:(90583784816lccT1间297.220FaC(9058378746FaCT1旬297.3B9Service Manual型ADTHSMANJA THOROUCHLYAND RETAN IT FOR FU良ePERFORMANCEYorkvllleSERIESYorkvilleQuality and Innovation Since 1963Prirted n Canada
喜欢就支持一下吧
评论 抢沙发

请登录后发表评论

    请登录后查看评论内容