NIKON尼康数码相机F4_2维修手册零部件手册

NIKON尼康数码相机F4_2维修手册零部件手册-找手册网
NIKON尼康数码相机F4_2维修手册零部件手册
此内容为付费资源,请付费后查看
1921
立即购买
您当前未登录!建议登陆后购买,可保存购买订单
付费资源

第1页 / 共196页

第2页 / 共196页

第3页 / 共196页

第4页 / 共196页

第5页 / 共196页

第6页 / 共196页

第7页 / 共196页

第8页 / 共196页

第9页 / 共196页

第10页 / 共196页
试读已结束,还剩186页,您可下载完整版后进行离线阅读
THE END
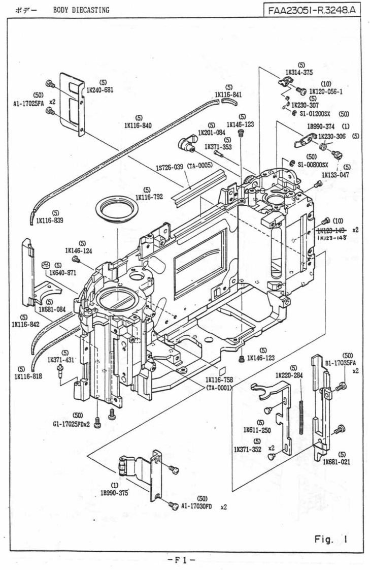
FAA23051-R.3248.ANikon4REPAIRMANUAL修理指針NikonNIKON CORPORATIONTokyo.Japan
喜欢就支持一下吧
评论 抢沙发

请登录后发表评论

    请登录后查看评论内容