

第1页 / 共24页

第2页 / 共24页

第3页 / 共24页

第4页 / 共24页

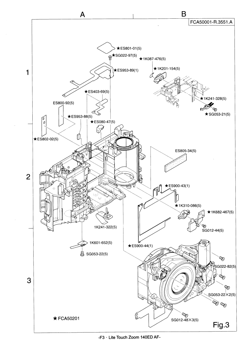
第5页 / 共24页

第6页 / 共24页

第7页 / 共24页

第8页 / 共24页

第9页 / 共24页

第10页 / 共24页
试读已结束,还剩14页,您可下载完整版后进行离线阅读
THE END
FCA50001-R.3551.A作成承認印配布許可印GMLite TouchFCA50001Zoom140FCA50021EDFCA50201(QD)PARTS LIST修理部品表NikonNIKON CORPORATIONTokyo,JapanCopyrightC2001 by Nikon Corporation.All Rights Reserved.Recycled paper再生艇在使用儿(虫寸無断転载卷禁寸!Printed in Japan June 2001
请登录后查看评论内容