NIKON尼康数码相机Pronea-600i-[6i]维修手册零部件手册

NIKON尼康数码相机Pronea-600i-[6i]维修手册零部件手册-找手册网
NIKON尼康数码相机Pronea-600i-[6i]维修手册零部件手册
此内容为付费资源,请付费后查看
1921
立即购买
您当前未登录!建议登陆后购买,可保存购买订单
付费资源

第1页 / 共134页

第2页 / 共134页

第3页 / 共134页

第4页 / 共134页

第5页 / 共134页

第6页 / 共134页

第7页 / 共134页

第8页 / 共134页

第9页 / 共134页

第10页 / 共134页
试读已结束,还剩124页,您可下载完整版后进行离线阅读
THE END
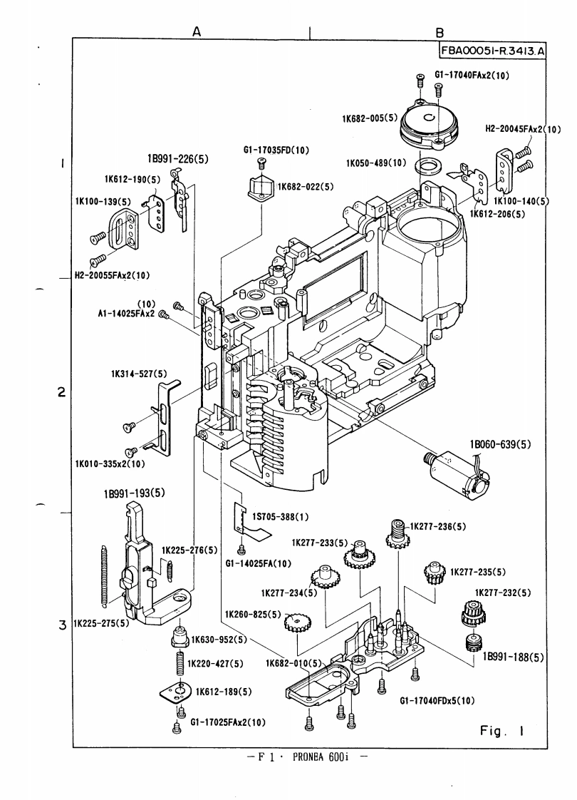
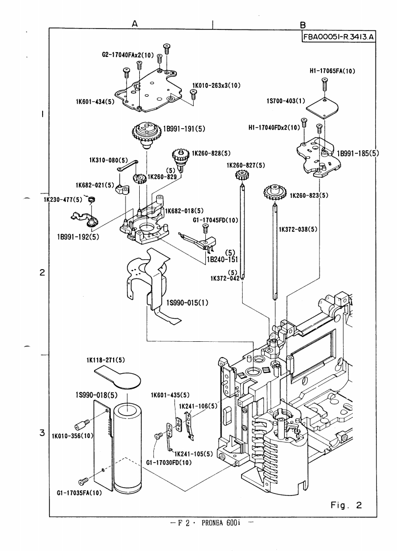
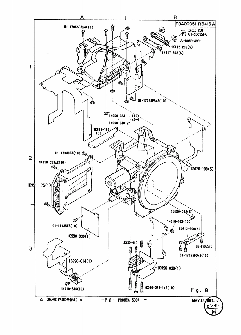
FBA00051-R.3413.A作成承認印配布許可印CS推选部GMPRONEA 6001FBA00051FBA00061PRONEA 61FBA00151PARTS LIST、修理部品表NONIKON CORPORATIONTokyo.JapanCopyrightC1996 by Nikon Corporation.All Rights Reserved.無断耘载左禁寸∥Printed in Japan October 1996
喜欢就支持一下吧
评论 抢沙发

请登录后发表评论

    请登录后查看评论内容