NIKON尼康数码相机SB-700-Part-List维修手册零部件手册

NIKON尼康数码相机SB-700-Part-List维修手册零部件手册-找手册网
NIKON尼康数码相机SB-700-Part-List维修手册零部件手册
此内容为付费资源,请付费后查看
1921
立即购买
您当前未登录!建议登陆后购买,可保存购买订单
付费资源

第1页 / 共17页

第2页 / 共17页

第3页 / 共17页

第4页 / 共17页

第5页 / 共17页

第6页 / 共17页

第7页 / 共17页

第8页 / 共17页

第9页 / 共17页

第10页 / 共17页
试读已结束,还剩7页,您可下载完整版后进行离线阅读
THE END
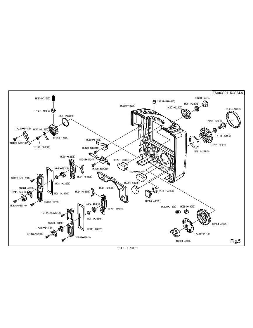
FSA03901-R.3824.A作成承認印配布許可印計画課GM⊙MSB-700FSA03901PARTS LIST修理部品表ONIKON CORPORATIONTokyo.JapanCopyright 2010 by Nikon Corporation.All Rights Reserved.無断転載左禁寸ⅡPrinted in Japan October 2010
喜欢就支持一下吧
评论 抢沙发

请登录后发表评论

    请登录后查看评论内容