NIKON尼康数码相机Zoom-800维修手册零部件手册

NIKON尼康数码相机Zoom-800维修手册零部件手册-找手册网
NIKON尼康数码相机Zoom-800维修手册零部件手册
此内容为付费资源,请付费后查看
1921
立即购买
您当前未登录!建议登陆后购买,可保存购买订单
付费资源

第1页 / 共82页

第2页 / 共82页

第3页 / 共82页

第4页 / 共82页

第5页 / 共82页

第6页 / 共82页

第7页 / 共82页

第8页 / 共82页

第9页 / 共82页

第10页 / 共82页
试读已结束,还剩72页,您可下载完整版后进行离线阅读
THE END
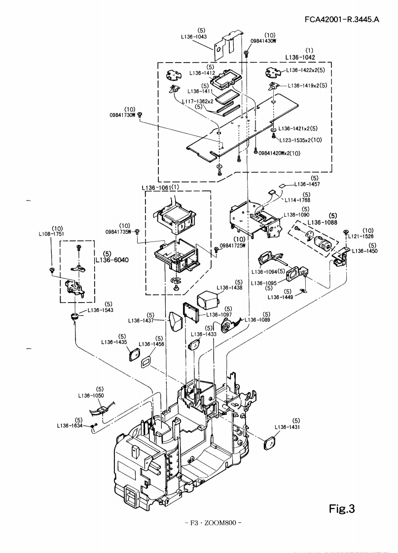
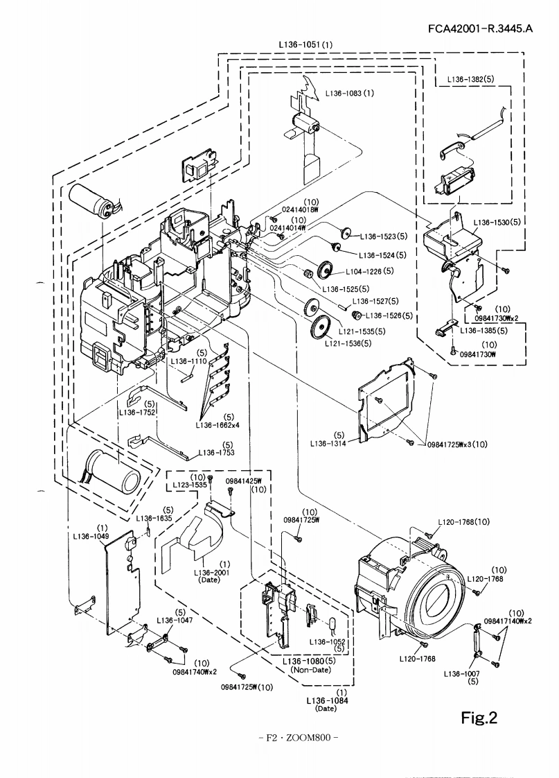
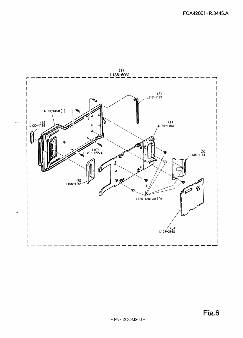
FCA42001-R.3445.A作成承認印配布許可印-GMNikon I①M8①FCA42001Nikon 1①M8①QDFCA42201PARTS LIST修理部品表NikonNIKON CORPORATIONTokyo,JapanCopyright C1998 by Nikon Corporation.All Rights Reserved.無断酝靓态禁寸!Printed in Japan May 1998
喜欢就支持一下吧
评论 抢沙发

请登录后发表评论

    请登录后查看评论内容