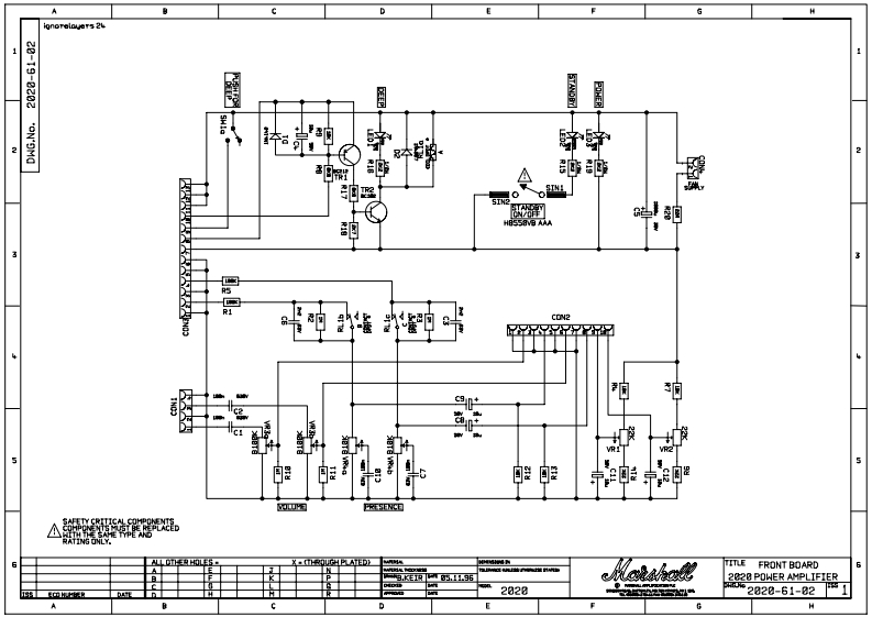
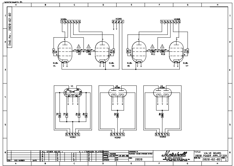
Marshall-20-20-Schematic找手册网10小时前发布关注私信0.20MB3页049Marshall-20-20-Schematic此内容为付费资源,请付费后查看¥19¥21黄金会员免费钻石会员免费立即购买您当前未登录!建议登陆后购买,可保存购买订单付费资源 第1页 / 共3页 第2页 / 共3页 第3页 / 共3页 已完成全部阅读,共3页 THE ENDTascam/Marshall 文本预览 ignorelayers 241图STANDBY]2·N-MG本明跻醉的的0SIN2AAA鸣自C02c2DEVR1VR2:自L5程TITLE FRONT BOARDB2020 POWER AMPLIFIER2028222820-61-802EH 查看更多 收起部分 喜欢就支持一下吧收藏
请登录后查看评论内容