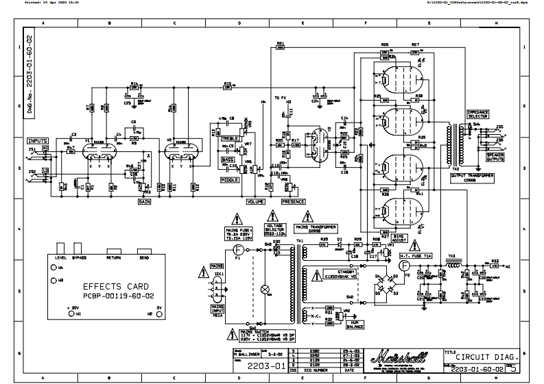
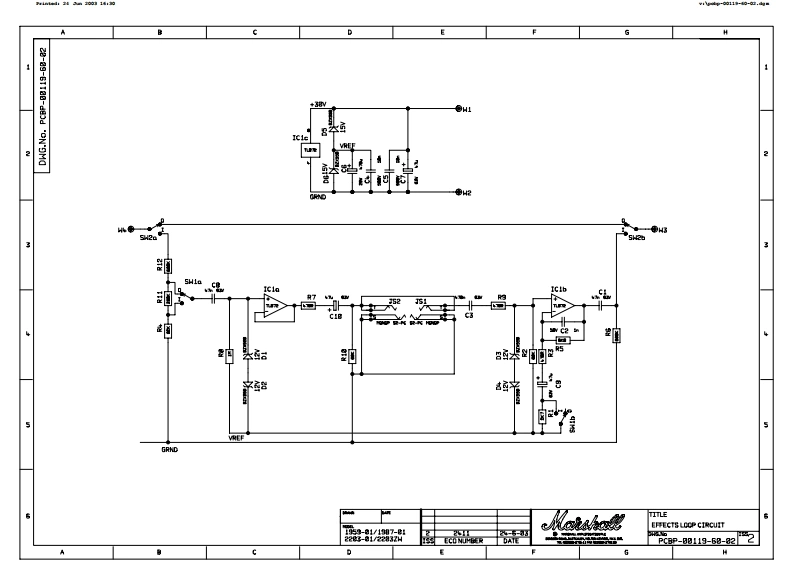
Marshall-2203-Reissue-Schematic找手册网8小时前发布关注私信0.14MB2页036Marshall-2203-Reissue-Schematic此内容为付费资源,请付费后查看¥19¥21黄金会员免费钻石会员免费立即购买您当前未登录!建议登陆后购买,可保存购买订单付费资源 第1页 / 共2页 第2页 / 共2页 已完成全部阅读,共2页 THE ENDTascam/Marshall 文本预览 a4ta:物4eoa过1:拉黑499429量w1地a9-91-9-94th,m1721-19-71-2090.4:m4TREBLELUUO00UH五Ma国GAIHVOLUHEPRESEHCE302LEVEL PWSS纯九Rw队0HT交ThaOOEFFECTS CARD5PCBP-00119-60-022+5VOHI0N.C.小m6ecaECIRCUIT DIAG.2203-012H0DATE2203-01-50-025◆ 查看更多 收起部分 喜欢就支持一下吧收藏
请登录后查看评论内容