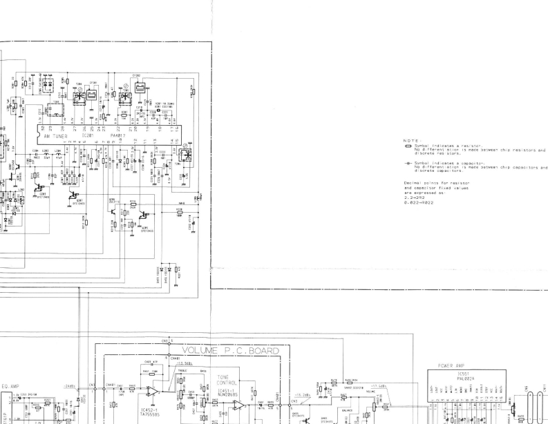
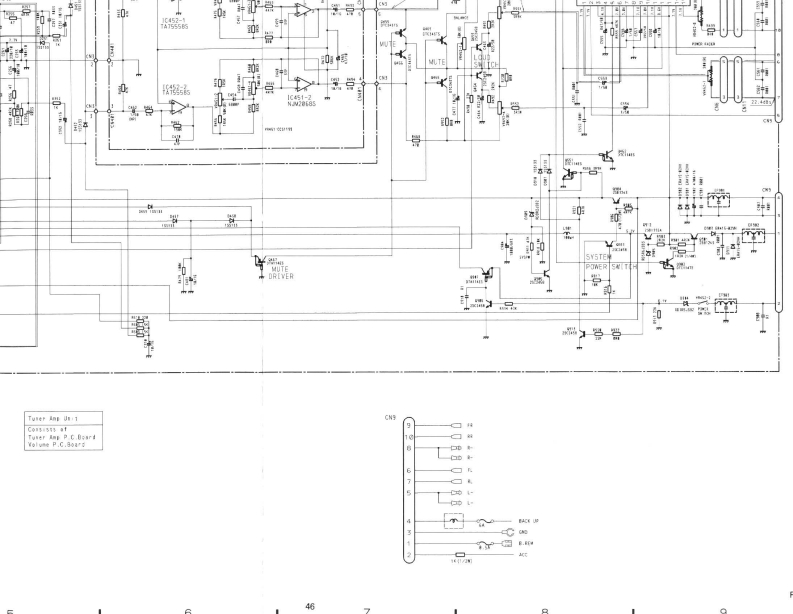
Pioneer–KEH-2500维修手册含电器原理图找手册网22天前发布关注私信0.95MB4页021Pioneer–KEH-2500维修手册含电器原理图此内容为付费资源,请付费后查看¥19¥21黄金会员免费钻石会员免费登录购买付费资源 第1页 / 共4页 第2页 / 共4页 第3页 / 共4页 第4页 / 共4页 已完成全部阅读,共4页 THE ENDFostex/Pioneer 文本预览 =-■■■13.SCHEMATIC CIRCUIT DIAGRAM(KEH-2500/EW,IT)TUNER AMP P.C.BOARDFM FRONT ENDFE1G1055AIF/DETNO:5E CANCELLER0a-t90巴”05相营相相0的Ba0:300目20 查看更多 收起部分 喜欢就支持一下吧收藏
请登录后查看评论内容