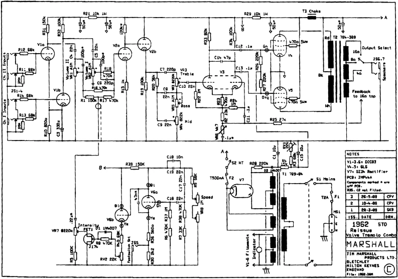
Marshall-Bluesbreaker-Reissue-45W-1962-Schematic

Marshall-Bluesbreaker-Reissue-45W-1962-Schematic-找手册网
Marshall-Bluesbreaker-Reissue-45W-1962-Schematic
此内容为付费资源,请付费后查看
1921
立即购买
您当前未登录!建议登陆后购买,可保存购买订单
付费资源

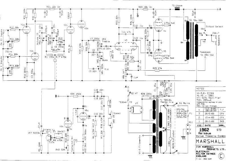
第1页 / 共2页

第2页 / 共2页
已完成全部阅读,共2
THE END
290k1wT3 ChoksAOOT說RdT27-地9121R12SDutput Select16aJ56.7RI:6Ek2200VR3c6220aC1522s14Fe尚0ck元kR13mid25274c922nA个NOTESC1010MR3150cS2 HTY1-3.6.ECCB3B←4,316C1922AT1769-V7:B23 RectifiarT500eAS1包i0PCBI JHPLAConponenta aarked。m。NG.5.绿ot fiLted:C16T2AFL326-309CPY20409CPY18-3的红0ISS.DATE0RM。19625T0VR7 0220kRwi5U每Valve Tremo lo ComboMARSHALLJIN MARSHALLRV2 22KGLETCHLETMILTON KETNESENGEANDeIen1罐.6
喜欢就支持一下吧
评论 抢沙发

请登录后发表评论

    请登录后查看评论内容