

第1页 / 共54页

第2页 / 共54页

第3页 / 共54页

第4页 / 共54页

第5页 / 共54页

第6页 / 共54页

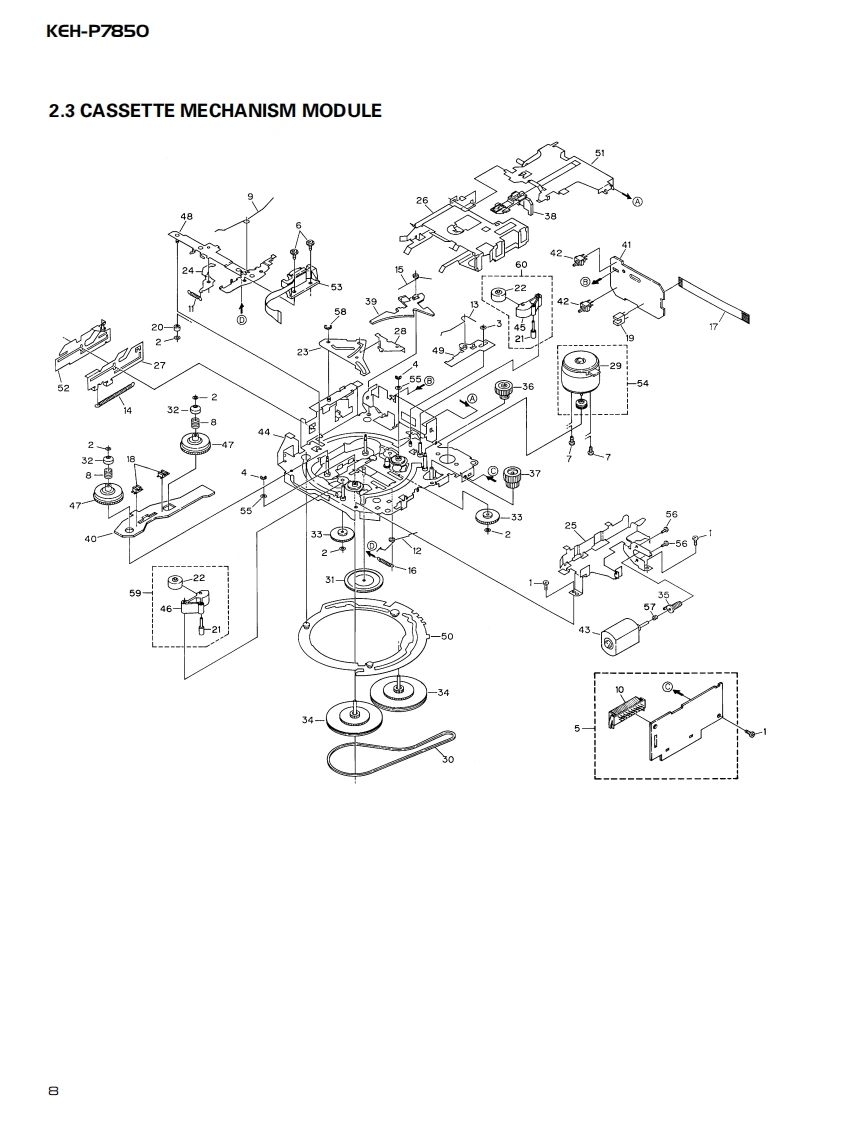
第7页 / 共54页

第8页 / 共54页

第9页 / 共54页

第10页 / 共54页
试读已结束,还剩44页,您可下载完整版后进行离线阅读
THE END
ServiceManualORDER NO.百口四000000回mICRT2307MULTI-CD CONTROL HIGH POWER CASSETTE PLAYER WITH FM/AM TUNERKEH-P7850X1N/ESNOTE:See the separate manual CX-631(CRT1640)for the cassette mechanism description.O The cassette mechanism assy employed in this model is one of 2L series.Dolby noise reduction manufactured under license from Dolby Laboratories Licensing Corporation."Dolby"and the double-D symbol are trademarks of Dolby Laboratories Licensing Corporation.CONTENTS1.SAFETY INFORMATION......7.GENERAL INFORMATION.382.EXPLODED VIEWS AND PARTS LIST...........7.1PARTS383.SCHEMATIC DIAGRAM.107.1.11C384.PCB CONNECTION DIAGRAM....207.1.2 DISPLAY.435.ELECTRICAL PARTS LIST.....307.2 DIAGNOSIS............446.ADJUSTMENT......367.2.1 DISASSEMBLY..447.2.2 TEST MODE457.3BLOCK DIAGRAM..488.OPERATIONS AND SPECIFICATIONS............49PIONEER ELECTRONIC CORPORATION 4-1,Meguro 1-Chome,Meguro-ku,Tokyo 153-8654,JapanPIONEER ELECTRONICS SERVICE INC.P.O.Box 1760,Long Beach,CA 90801-1760 U.S.A.PIONEER ELECTRONIC [EUROPE]N.V.Haven 1087 Keetberglaan 1,9120 Melsele,BelgiumPIONEER ELECTRONICS ASIACENTRE PTE.LTD.253 Alexandra Road,#04-01,Singapore 159936C PIONEER ELECTRONIC CORPORATION 1998K-ZZS.NOV.1998 Printed in Japan
请登录后查看评论内容