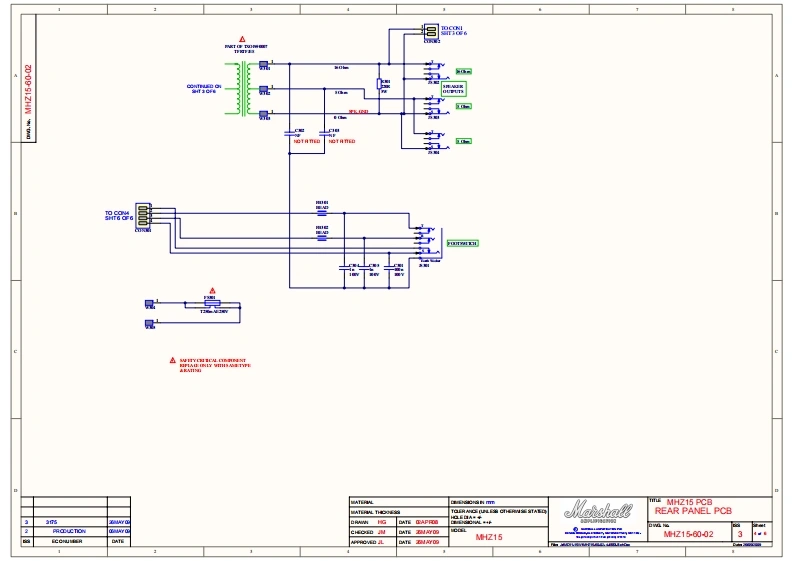
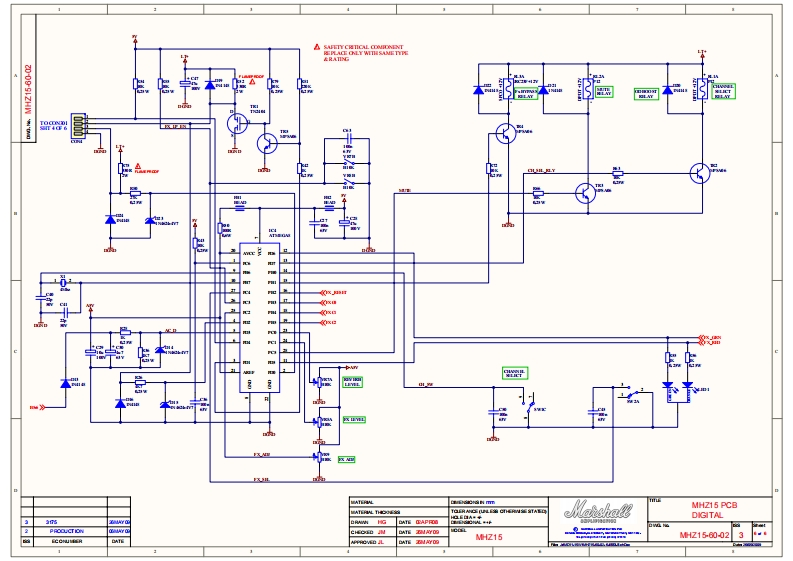
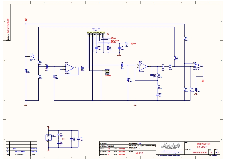
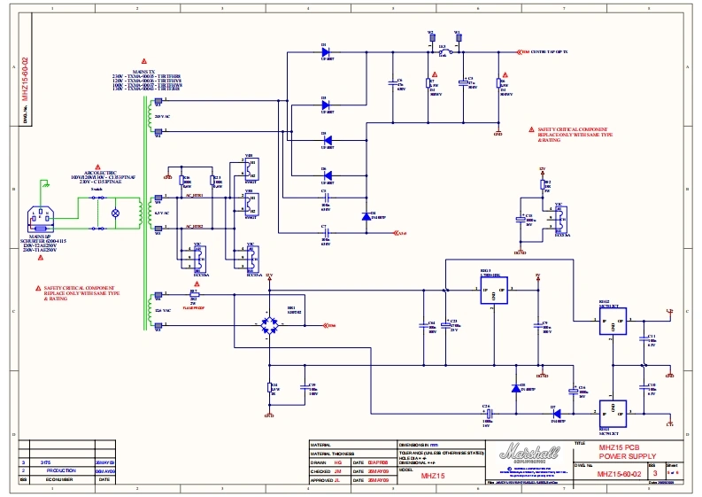
Marshall-Haze-MHZ15-Schematic找手册网7小时前发布关注私信0.18MB6页050Marshall-Haze-MHZ15-Schematic此内容为付费资源,请付费后查看¥19¥21黄金会员免费钻石会员免费立即购买您当前未登录!建议登陆后购买,可保存购买订单付费资源 第1页 / 共6页 第2页 / 共6页 第3页 / 共6页 第4页 / 共6页 第5页 / 共6页 第6页 / 共6页 已完成全部阅读,共6页 THE ENDTascam/Marshall 文本预览 E RATING◆怎悟MHZ15PCBI白州ULE CIHERN1A年PREAMP2工CTONMHZ15MHZ1560-0234A1N00 查看更多 收起部分 喜欢就支持一下吧收藏
请登录后查看评论内容