SONY-SCPH7500-SERVICE-MANUAL维修手册含电器原理图

SONY-SCPH7500-SERVICE-MANUAL维修手册含电器原理图-找手册网
SONY-SCPH7500-SERVICE-MANUAL维修手册含电器原理图
此内容为付费资源,请付费后查看
1921
付费资源

第1页 / 共22页

第2页 / 共22页

第3页 / 共22页

第4页 / 共22页

第5页 / 共22页

第6页 / 共22页

第7页 / 共22页

第8页 / 共22页

第9页 / 共22页

第10页 / 共22页
试读已结束,还剩12页,您可下载完整版后进行离线阅读
THE END
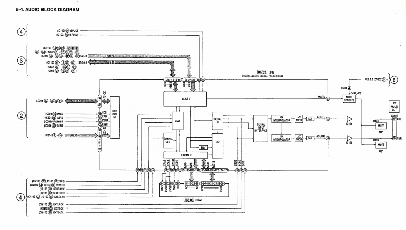
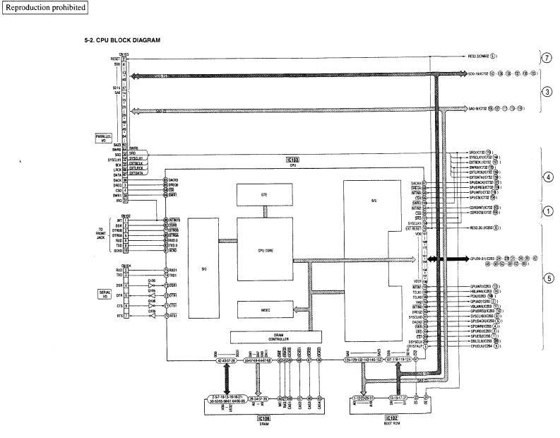
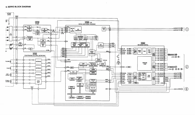
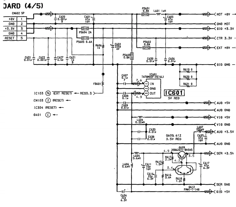
SONYSCPH-7500 SERIESSERVICE MANUALJapan ModelSCPH-7500US/Canada ModelSCPH-7501Australia ModelSCPH-7502A3rd EditionUK ModelSCPH-7502BAEP ModelSCPH-7502CAsian ModelSCPH-7503Reproduction prohibitedRegistered No.PlayStation
喜欢就支持一下吧
评论 抢沙发

请登录后发表评论

    请登录后查看评论内容