Marshall-JCM800-Lead-Mstvol-50W-2204-Schematic

Marshall-JCM800-Lead-Mstvol-50W-2204-Schematic-找手册网
Marshall-JCM800-Lead-Mstvol-50W-2204-Schematic
此内容为付费资源,请付费后查看
1921
立即购买
您当前未登录!建议登陆后购买,可保存购买订单
付费资源

第1页 / 共2页

第2页 / 共2页
已完成全部阅读,共2
THE END
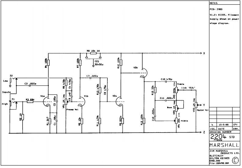
NOTESPCB,JH相0V1.2+ECCB3.fl lanantsupa ly shown on power阳10k 1HC2V2b2C7-022C104p'R1*IngutYia11州Ight物动即19-5-CPYISS.DATE2DRAHINS NUHBER2204STDMARSHALLJIM MARSHALLPRODUCTS LTDHILTON KEYNESF1e。22n.to
喜欢就支持一下吧
评论 抢沙发

请登录后发表评论

    请登录后查看评论内容