Marshall-JMP-Lead-50W-100W-Schematic

Marshall-JMP-Lead-50W-100W-Schematic-找手册网
Marshall-JMP-Lead-50W-100W-Schematic
此内容为付费资源,请付费后查看
1921
立即购买
您当前未登录!建议登陆后购买,可保存购买订单
付费资源

第1页 / 共3页

第2页 / 共3页

第3页 / 共3页
已完成全部阅读,共3
THE END
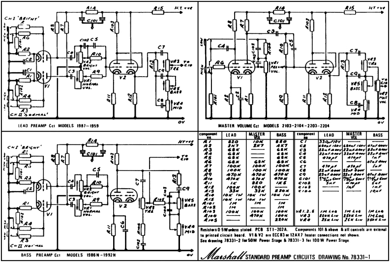
当5斗0LEAD PREAMP Cc MOOELS 1987-1959MASTER YOLUME CEIM00EL52103-2104-2203-2204LEADBASSLEADMASTERBASS月重c8GIKG●100K10o10OK100K100K1OO◆T0M◆7eMeco◆eC/●eaGo建里eC/e3中/0o/M时4/d●r●NLwI5x LAIM LOGNL时月性ia0-5Wh时1d.P℃8ST1-202A.Camponents 101 abeve all centrels ate erternalte printed cincwit beard.V1&V2 are ECC83 12AX7 healer conmeclions not shown.See drewing 78331-2 lor 50W Power Stape 78331-3 le:100 W Power Stage.BASSPREAMP Ce1 MODELS 1986N-1992NSTANDARD PREAMP CIRCUITS DRAWING No.78331-1
喜欢就支持一下吧
评论 抢沙发

请登录后发表评论

    请登录后查看评论内容