

第1页 / 共26页

第2页 / 共26页

第3页 / 共26页

第4页 / 共26页

第5页 / 共26页

第6页 / 共26页

第7页 / 共26页

第8页 / 共26页

第9页 / 共26页

第10页 / 共26页
试读已结束,还剩16页,您可下载完整版后进行离线阅读
THE END
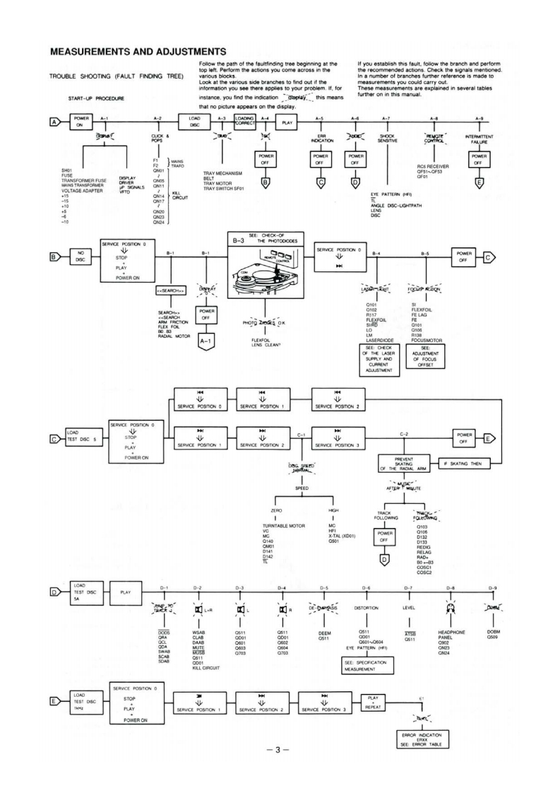
Service74CD72/10B/12B/17BManualCompact disc player年CONTENTSSECTION--PAGE1 TECHNICAL SPECIFICATIONS---12 CONTROLS AND CONNECTIONS.23 MEASUREMENTS AND ADJUSTMENTS-------34 SERVICE HINTS----65 EXPLODED VIEW AND MECHANICAL PARTS LIST-...86 BLOCK DIAGRAM---,117 SCHEMATIC DIAGRAM AND PARTS LOCATION(PATTERN SIDE)138 ELECTRICAL PARTS LIST------------------917ZFirst issue:1992model CD-72SE482272551005PCS66286
请登录后查看评论内容