

第1页 / 共47页

第2页 / 共47页

第3页 / 共47页

第4页 / 共47页

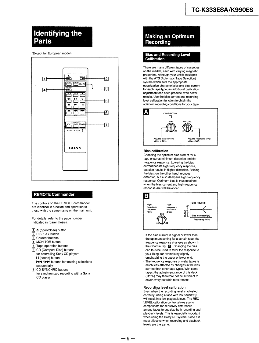
第5页 / 共47页

第6页 / 共47页

第7页 / 共47页

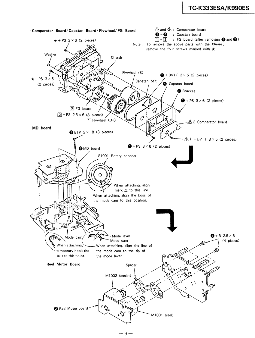
第8页 / 共47页

第9页 / 共47页

第10页 / 共47页
试读已结束,还剩37页,您可下载完整版后进行离线阅读
THE END
TC-K333ESA/K990ESSERVICE MANUALAEP ModelTC-K990ESEModelTC-K333ESA0D0Dolby noise reduction and HX Pro headroom extensionmanulactured under license from Dolby Laboratories LicensingCorporation.HX Pro originated by Bang Olufsen.DOLBY",the double-D symboi D0 and "HX PRO'are trademarksof Doty Laboretones Licensing Corporation.Model Name Using Similar MechanismTC-K333ESGSPECIFICATIONSTape Transport Mechanism TypeTCM-200D10Recording system4-track 2-channel stereoOutputsFast winding timeApprox.90 sec.(with Sony C-60 cassette)BiasAC biasLine outputsRated output level0.5 V at a load impedanceHeadsErasing head x 1 (S&F head)(phono jacks)of 47 k ohmsRecording head x 1 (LA head)Load impedanceOver 10 k ohmsPlayback head x 1 (LA head)MotorsCapstan motor×1HeadphonesOutput level0-3 mW at a load(direct-drive linear torque BSL motor)(stereo phone jack)impedance of 32 ohmsReel motor x 1 (DC motor)Signal-to-noise ratio (at peak level)GeneralCassetteType IV(SonyType llType lPower requirementsAEP model:(Dolby NR OFFMetal-S)(Somy UX-S)Sony HF-S)220.230VAC.(or240VACadjustable by Sony personnel).61 dB59 dB57 dB5060HzE model:Measured at peak level weithted without NR.The S/N is improved by about120.220,or 240 V AC adjustable,15 dB at 500 Hz and by about 20 dB about 1 kHz with Dolby-C NR on,and by50/60Hz5 dB at 1 kHz and by 10 dB about 5 kHz with Dolby-B NR onPower consumption31WDimensionsApprox..470×140×380mm(whd)Harmonic distortion1.3%(with Sony Metal-S 250 nWb/m,315 Hz(18h×5h×15 inches)3rd H.D.)including projecting parts and controlsFrequency response(Dolby NR OFF)WeightApprox.12.0 kg (26 Ibs 8 oz)Type IV cassette15-22,000 Hz (3 dB,IEC)Model for other countries:Approx.11.2kg(Sony Metal-S)15-16,000 Hz 3 dB (-4dB recording)]Supplied accessoriesAudio connecting cords(2)Type ll cassette15-20,000Hz3dB.1EC)Screws (8)(Sony UX-S)Wireless remote commander(1)Sony SUM-3(NS)batteries (2)"Type I cassette15-18,000Hz3dB.IEC)Not supplied with model for European countries(Sony HF-S)Design and specifications are subject to change without notice.Wow and flutter±0.04%W,Peak(IEC)0.022%W.RMS (NAB)Note±0.0B5%W.Peak(DiNjThis appliance conforms with EEC Directive 87/308/EEC regardingInputsinterference suppression.Line inputsSensitivity0.16V(phono jacks)Input impedance47 k ohmsCD DIRECT INPUTInput impedance47 k ohmsSTEREO CASSETTE DECKSONY
请登录后查看评论内容