德龙DenonDRF6_F7_F8_sm维修手册含电气原理图

德龙DenonDRF6_F7_F8_sm维修手册含电气原理图-找手册网
德龙DenonDRF6_F7_F8_sm维修手册含电气原理图
此内容为付费资源,请付费后查看
1921
立即购买
您当前未登录!建议登陆后购买,可保存购买订单
付费资源

第1页 / 共48页

第2页 / 共48页

第3页 / 共48页

第4页 / 共48页

第5页 / 共48页

第6页 / 共48页

第7页 / 共48页

第8页 / 共48页

第9页 / 共48页

第10页 / 共48页
试读已结束,还剩38页,您可下载完整版后进行离线阅读
THE END
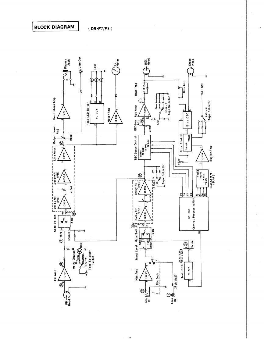
DENONHi-Fi ComponentSERVICE MANUALSTEREO CASSETTE TAPE DECKMODEL DR-F6/F7/F8DR-F6DR-F7/F8NIPPON COLUMBIA CO..LTD.
喜欢就支持一下吧
评论 抢沙发

请登录后发表评论

    请登录后查看评论内容