

第1页 / 共42页

第2页 / 共42页

第3页 / 共42页

第4页 / 共42页

第5页 / 共42页

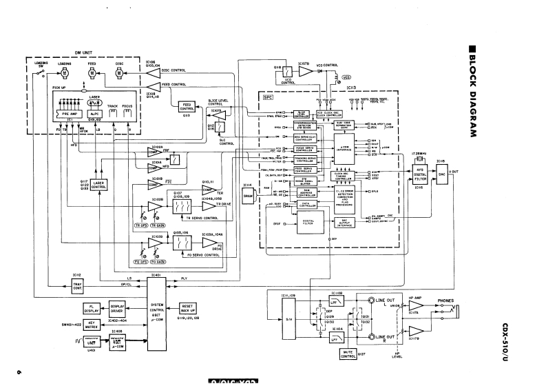
第6页 / 共42页

第7页 / 共42页

第8页 / 共42页

第9页 / 共42页

第10页 / 共42页
试读已结束,还剩32页,您可下载完整版后进行离线阅读
THE END
COMPACT DISC PLAYERCDX-510/UV09211SERVICE MANUAL05a即9955doc只回旦可回问口回四回置当当边可IMPORTANT NOTICEThis manual has been provided for the use of authorized Yamaha Retailers and their service personnel.It has been assumed that basic service procedures inherant to the industry,and more specifically YanahaProducts,are already known and understond by the users,and have therefore not been restated.WARNING:t inmdents and failure o'thethrvcersould be performed bya athorizd Yamaha Retailer theappointed service representative.IMPORTANT:The presentation or sale of this manual to any individualorization,certificationor recognition of any applicableestablish a principle-agent relationship of any form.C00310WSThe data provided is believed to be accurate and applicable to the unit(s)indicated on the cover.The品engineering,and service departments of Yamaha are continually striving to improve YanahaDivision.WARNING:theYAMAHA程IMPORTANT:Turn the unit OFF during disassembly and parts replacement.Recheck all work bForeyou apply power to the unit.■CONTENTSTO SERVICE PERSONNEL...·...··,.1/2ADJUSTMENTS .....................19INTERLOCK OPERATION ................IC DATA….1925FRONT PANELS.·DISPLAY DATA·.........,-·26REAR PANELS.·,·WIRING.27SPECIFICATIONS ......................5PRINTED CIRCUIT BOARD ............28~31INTERNAL VIEW·SCHEMATIC DIAGRAM.......···...··32BLOCK DIAGRAM6PARTSLIST.......................33~41DISASSEMBLY PROCEDURES.··.·.·...·.7/8RS-CDX510....,,,,,。..43/43YAMAHA[010156YAMAHA CORP RATIONPO.Box 1.Hamamesu.Japan3.25k-034月色Printed in2an.'8朗.
请登录后查看评论内容