Pioneer_CLD-2080_Service.Manual维修手册电器原理图

Pioneer_CLD-2080_Service.Manual维修手册电器原理图-找手册网
Pioneer_CLD-2080_Service.Manual维修手册电器原理图
此内容为付费资源,请付费后查看
1921
付费资源

第1页 / 共18页

第2页 / 共18页

第3页 / 共18页

第4页 / 共18页

第5页 / 共18页

第6页 / 共18页

第7页 / 共18页

第8页 / 共18页

第9页 / 共18页

第10页 / 共18页
试读已结束,还剩8页,您可下载完整版后进行离线阅读
THE END
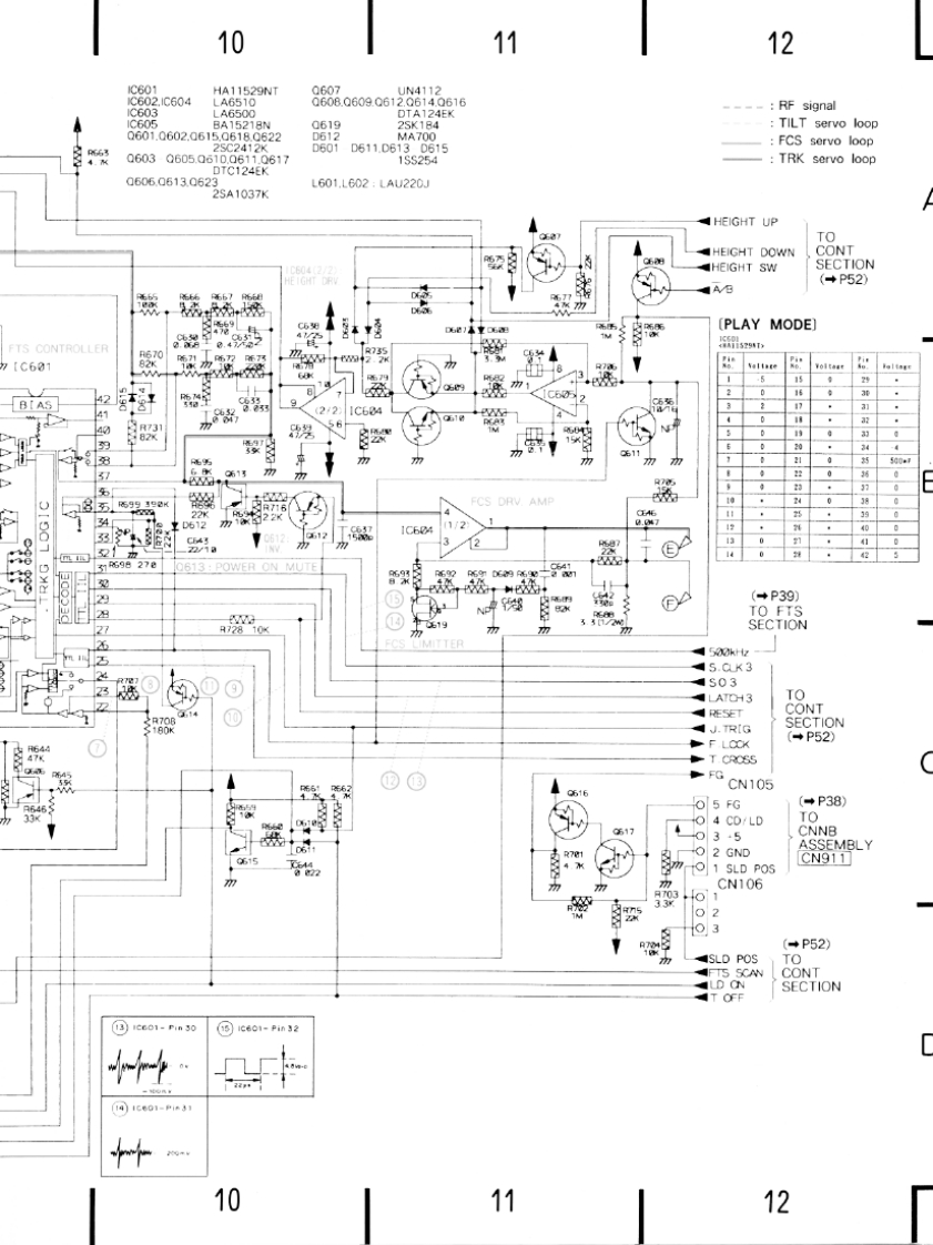
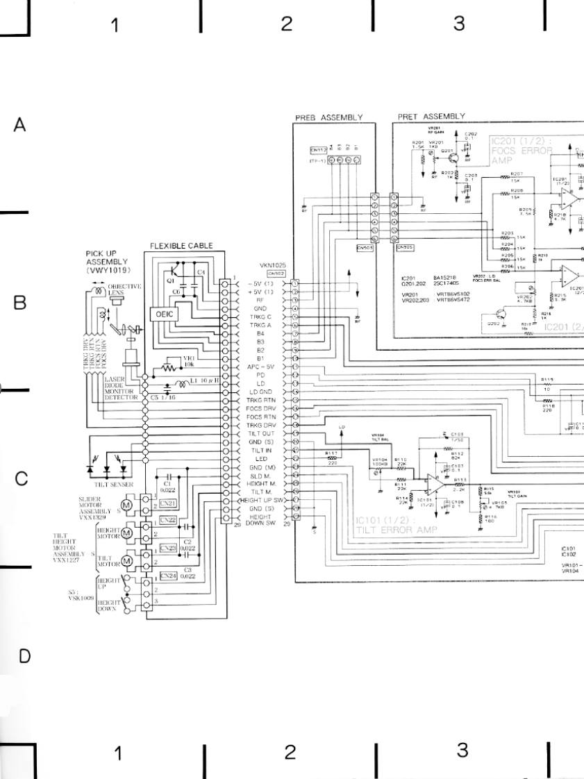
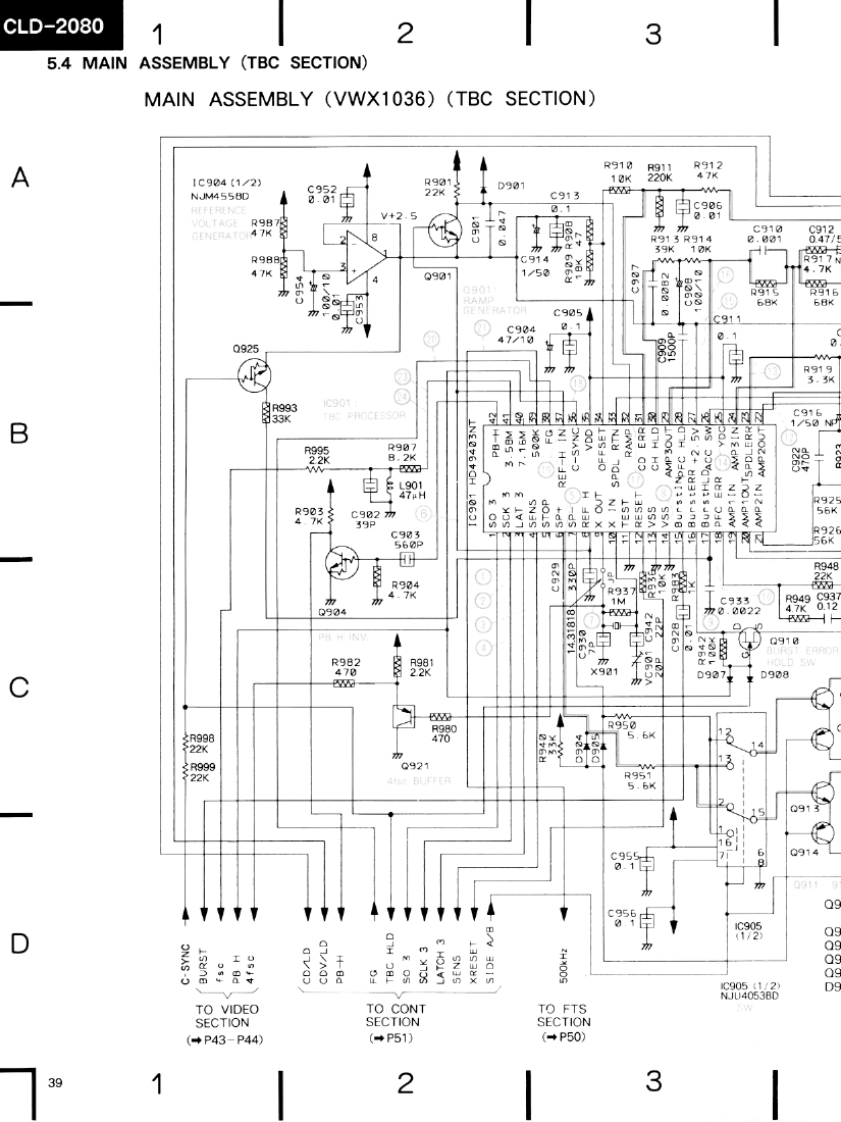
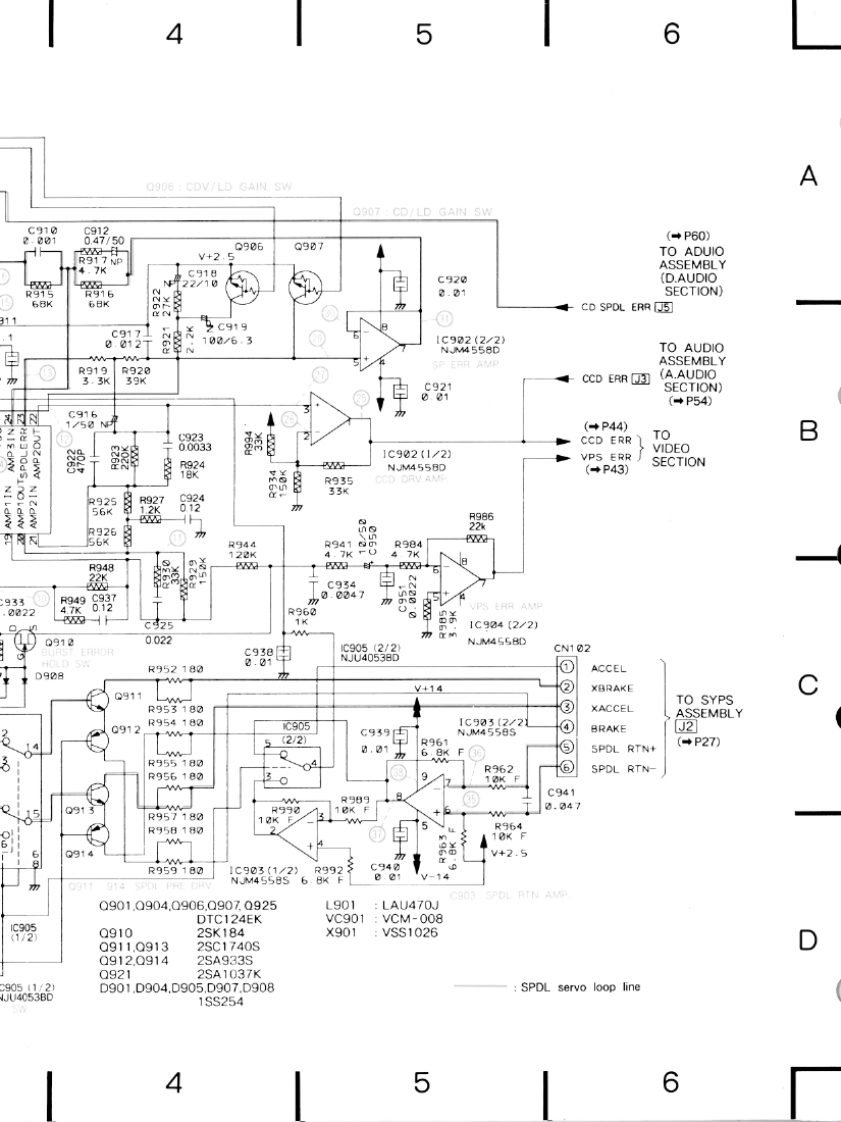
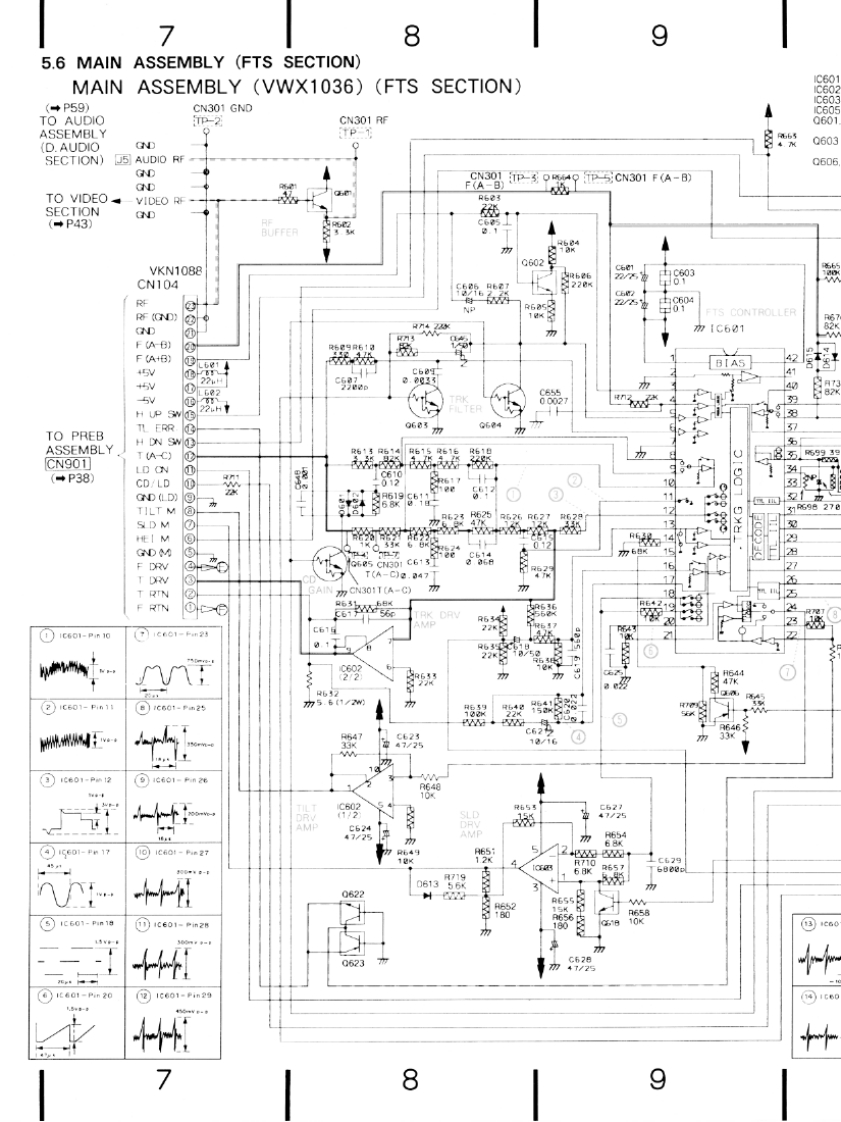
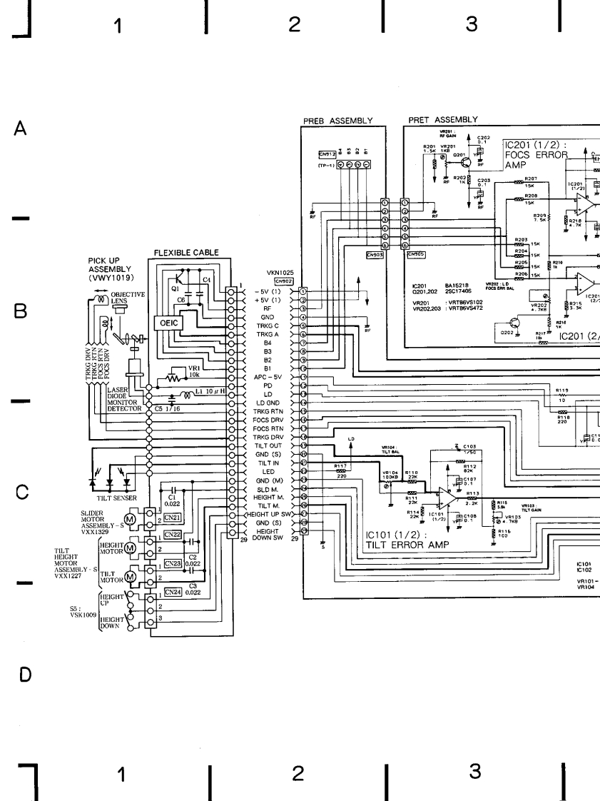
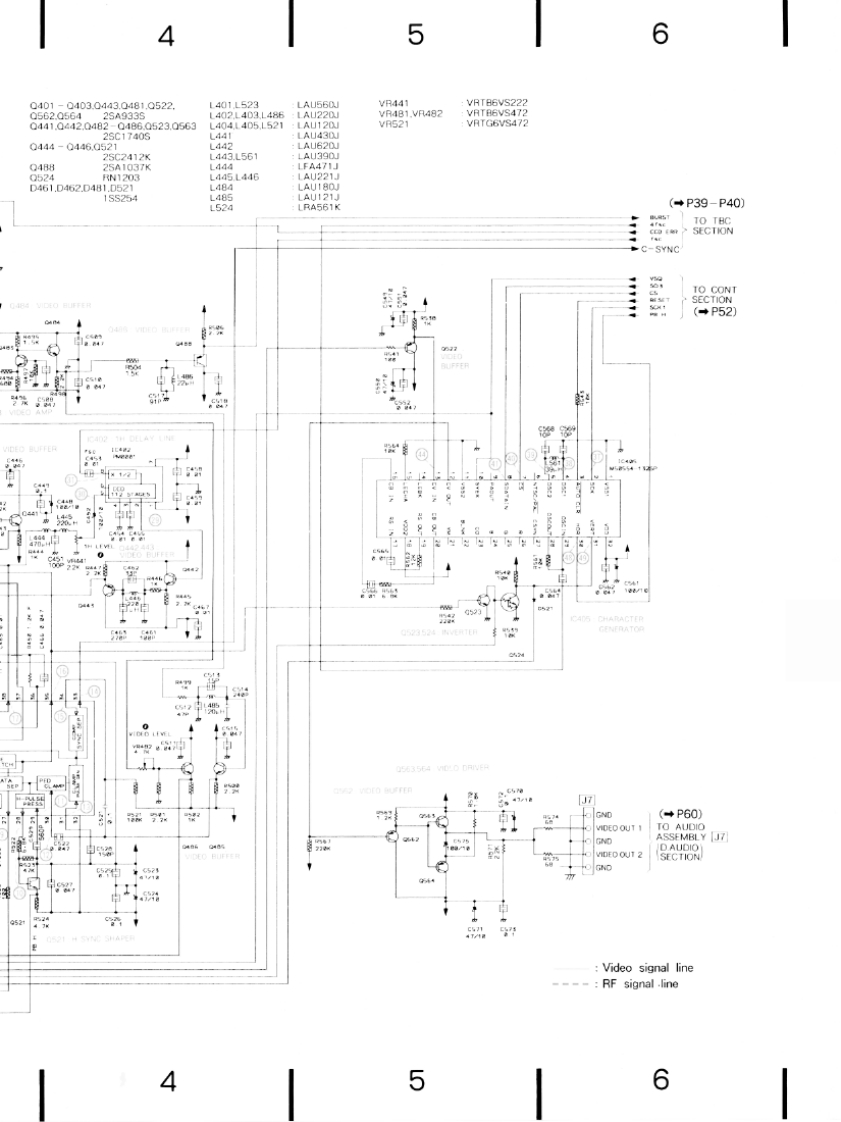
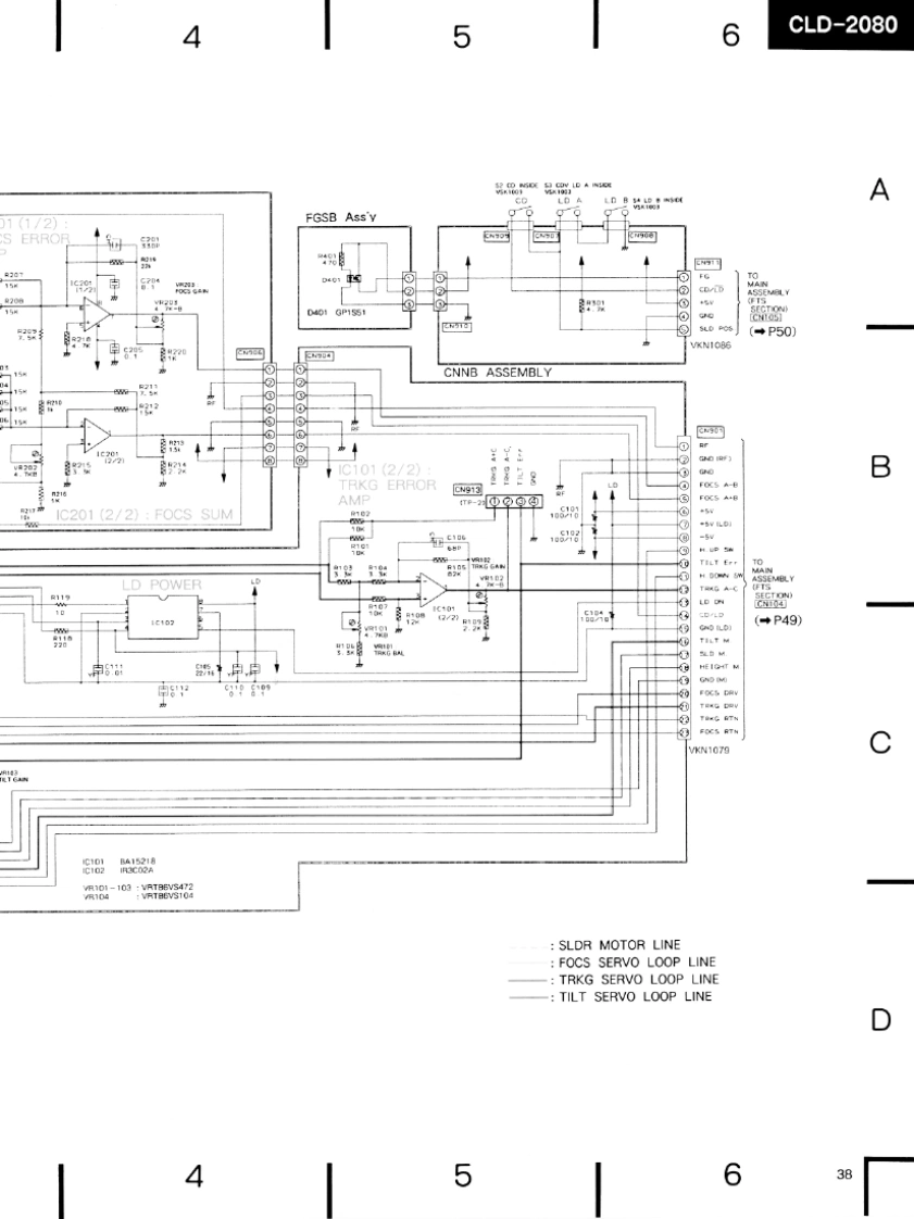
2PIONEERThe future of sound and vision.ServicecManualORDER NO.ARZ2049CD COV LD PLAYERGL▣-2OBCCIRCUIT DIAGRAMSPATTERN LAYOUTSWITH MICROFICHEIMICROFICHE PORTION LOCATEDINSIDE BACK COVERPIONEER ELECTRONIC CORPORATION 4-1,Meguro 1-Chome,Meguto-ku,Tokyo 153.JananPIONEER ELECTAONICS SEAVICE INC.P.O.Box 1760.Long Beach.Calilomna 90801 US APIONEER ELECTRONICS OF CANADA,INC.505 Cochrane Drive.Markham.Ontano L3R BE3 CanadaPIONEER ELECTRONIC [EUROPE]N.V.Keetberglaan I,2740 Beveren.RelgumPIONEER ELECTAONICS AUSTRALIA PTY.LTD.178-184 Boundary Road.Braeside.Viciora 3195.Aust:ala TEL.|03]580-991!PIONEER ELECTRONIC CORPORATION 1990FJ MAY.1990 Pnnted in Japan
喜欢就支持一下吧
评论 抢沙发

请登录后发表评论

    请登录后查看评论内容