

第1页 / 共62页

第2页 / 共62页

第3页 / 共62页

第4页 / 共62页

第5页 / 共62页

第6页 / 共62页

第7页 / 共62页

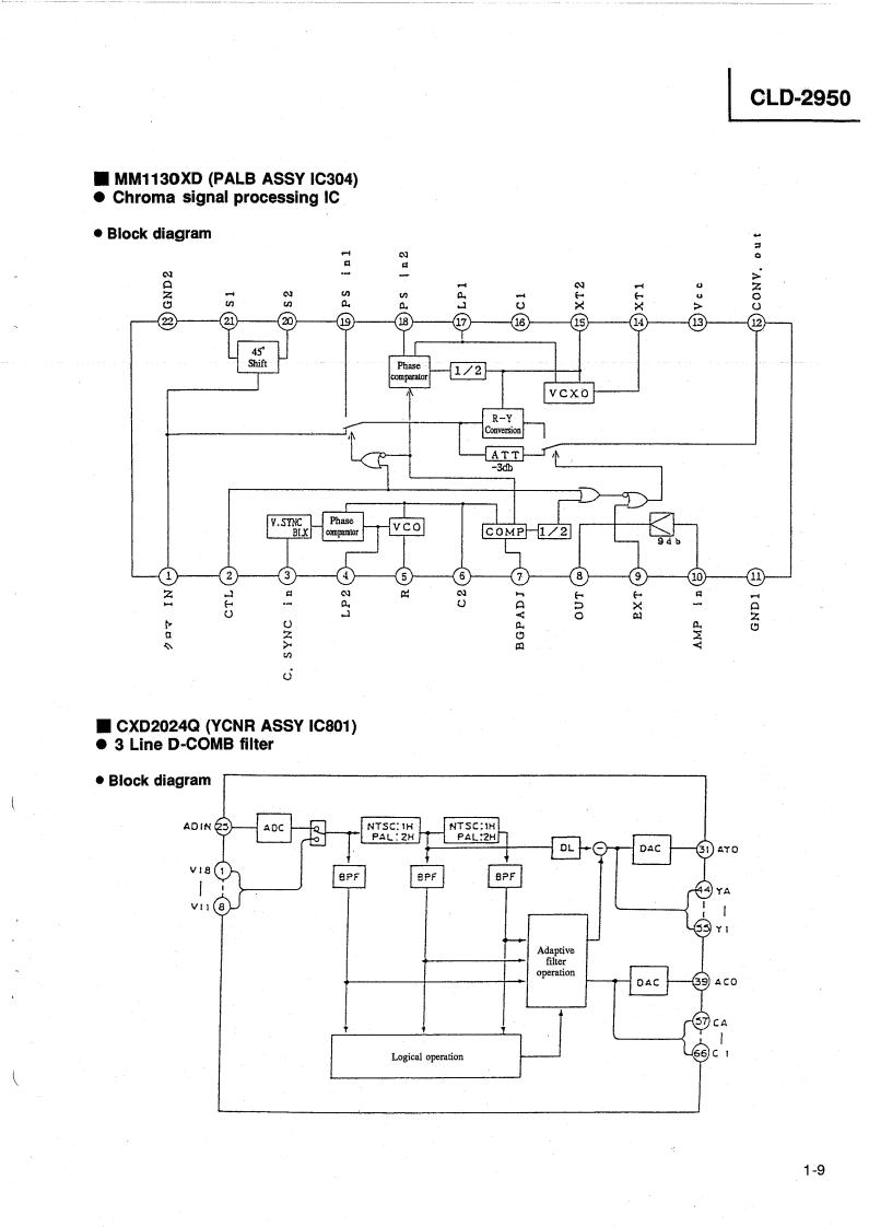
第8页 / 共62页

第9页 / 共62页

第10页 / 共62页
试读已结束,还剩52页,您可下载完整版后进行离线阅读
THE END
PIONEERThe Art of EntertainmentServiceManualORDER NO.RRV1153The chapter 1 of this Service Manual will not be reprinted.On your additional orders,we may supply only thechapter 2.For the chapter 1,please make copies and attach to the chapter 2 at your side if necessary.CD CDV LD PLAYERCLD-2950THIS MANUAL IS APPLICABLE TO THE FOLLOWING MODEL(S)AND TYPE(S).ModelTypePower RequirementRemarksCLD-2950WB0AC220-240VWEZ0AC220-240VCONTENTSCHAPTER 11.1 SAFETY INFORMATION.1-21.2 PANEL FACILIT刀ES++*·1-31.3 SPECIFICATIONS..1-41.41 C INFORMATION…1-61.5 ERROR CODE TABLE·1-121.6 ADJUSTMENTS…1-141.7 PARTS LIST FOR PACKING ANDEXPLODED VIEWS…1-271.8 PCB PARTS LIST·1-31CHAPTER 22.1 PACKING AND EXPLODED VIEWS.2-32.2 SCHEMATIC AND PCB CONNECTIONDIAGRAMS442-132.3 BLOCK DIAGRAMS…2-53PIONEER ELECTRONIC CORPORATION 4-1,Meguro 1-Chome.Meguro-ku,Tokyo 153,JapanPIONEER ELECTRONICS SERVICE INC.P.O.Box 1760,Long Beach,California 90801 U.S.APIONEER ELECTRONICS OF CANADA,INC.300 Allstate Parkway Markham,Ontario L3R OP2 CanadaPIONEER ELECTRONIC [EUROPE]N.V.Haven 1087 Keetberglaan 1.9120 Melsele.BelgiumPJONEER ELECTRONICS AUSTRALIA PTY.LTD.178-184 Boundary Road,Braeside,Victoria 3195,Australia TEL:[03]580-9911PIONEER ELECTRONIC CORPORATION 1994T-FFM JUNE 1994 Printed in.Japan
请登录后查看评论内容