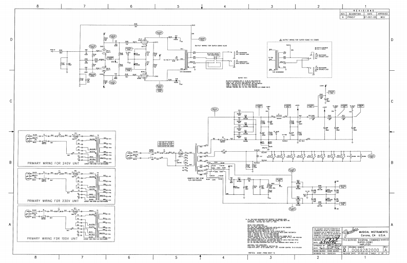
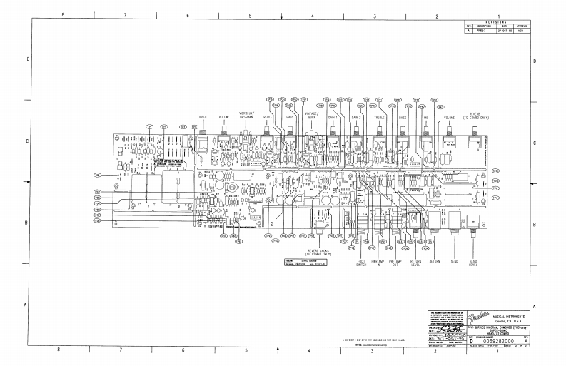
Fender-Super-Sonic-Schematic找手册网7小时前发布关注私信0.39MB4页025Fender-Super-Sonic-Schematic此内容为付费资源,请付费后查看¥19¥21黄金会员免费钻石会员免费立即购买您当前未登录!建议登陆后购买,可保存购买订单付费资源 第1页 / 共4页 第2页 / 共4页 第3页 / 共4页 第4页 / 共4页 已完成全部阅读,共4页 THE ENDMackie/Fender 文本预览 55421180N8四意冒正M:SCM INST1MNT图Corone.CA USA叠堂60652a20n0风■65 查看更多 收起部分 喜欢就支持一下吧收藏
请登录后查看评论内容