

第1页 / 共87页

第2页 / 共87页

第3页 / 共87页

第4页 / 共87页

第5页 / 共87页

第6页 / 共87页

第7页 / 共87页

第8页 / 共87页

第9页 / 共87页

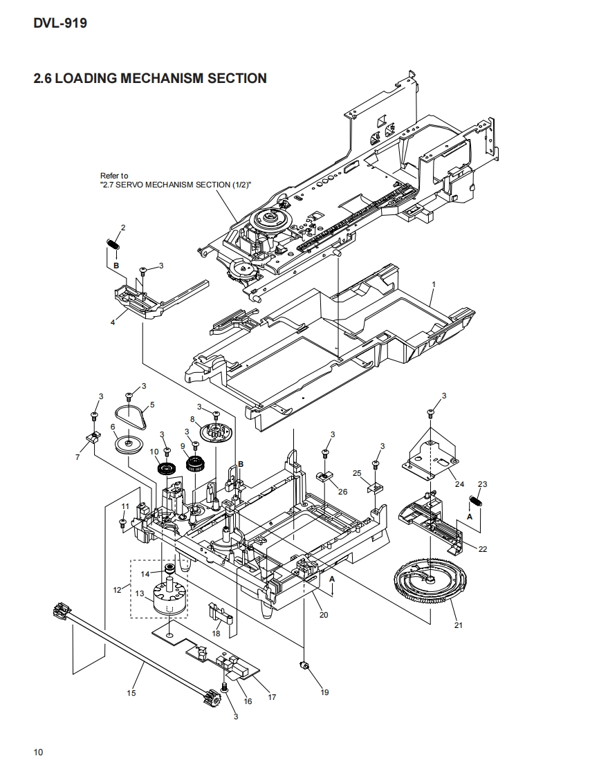
第10页 / 共87页
试读已结束,还剩77页,您可下载完整版后进行离线阅读
THE END
Service9©Manual80回可ORDER NO.RRV2045DVD LD PLAYERDVL-919THIS MANUAL IS APPLICABLE TO THE FOLLOWING MODEL(S)AND TYPE(S).ModelTypePower RequirementThe voltage can be converted byRegion No.DVL-919the following method.RL0AC110-127/220-240V3Automatic selectRAM0AC110-127/220-240V6Automatic selectRB0AC110-127/220-240V3Automatic selectRD/RBOAC110-127/220-240W2Automatic selectCONTENTS1.SAFETY INFORMATION...27.GENERAL INFORMATION782.EXPLODED VIEWS AND PARTS LIST..............37.1 PARTS…783.SCHEMATIC DIAGRAM167.1.1lC…784.PCB CONNECTION DIAGRAM.407.2 DISASSEMBLY/ASSEMBLY........805.PCB PARTS LIST…547.3 BLOCK DIAGRAM..826.ADJUSTMENT.........628.PANEL FACILITIES AND SPECIFICATIONS...84PIONEER ELECTRONIC CORPORATION 4-1,Meguro 1-Chome,Meguro-ku,Tokyo 153-8654,JapanPIONEER ELECTRONICS SERVICE,INC.P.O.Box 1760,Long Beach,CA90801-1760,U.S.A.PIONEER ELECTRONIC (EUROPE)N.V.Haven 1087,Keetberglaan 1,9120 Melsele,BelgiumPIONEER ELECTRONICS ASIACENTRE PTE.LTD.253 Alexandra Road,#04-01,Singapore 159936CPIONEER ELECTRONIC CORPORATION 1998T-ZZE NOV.1998 Printed in Japan
请登录后查看评论内容