

第1页 / 共43页

第2页 / 共43页

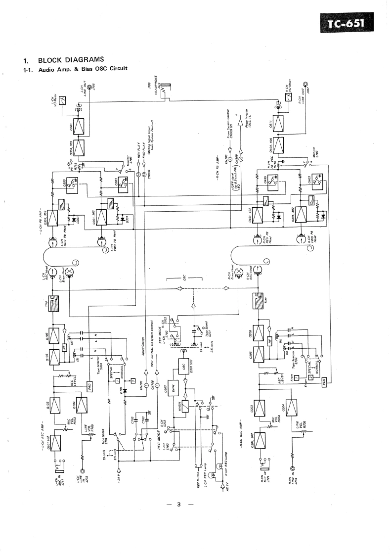
第3页 / 共43页

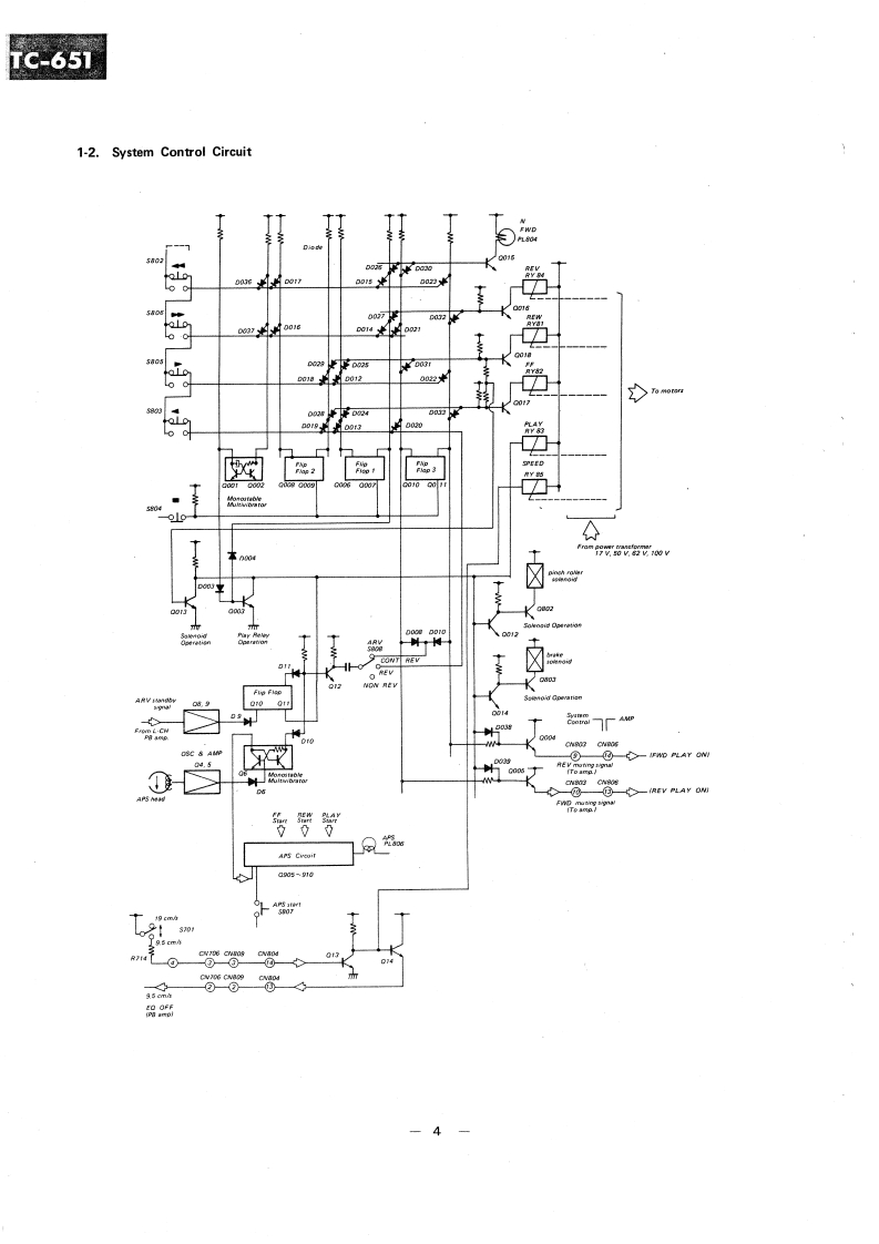
第4页 / 共43页

第5页 / 共43页

第6页 / 共43页

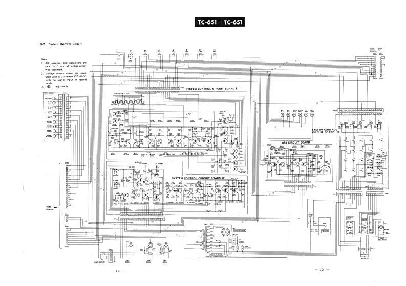
第7页 / 共43页

第8页 / 共43页

第9页 / 共43页

第10页 / 共43页
试读已结束,还剩33页,您可下载完整版后进行离线阅读
THE END
PRELIMINARYTC-651General Export ModelSONY0s▣Set using ISO screwsSPECIFICATIONSPower Requirements:AC100V,110V,117V.120V,125V,Two LINE INputs220V and 240V100kn(Changeable by using the voltage selector)Momity70mV(-22dB)50/60Hz,85WREC/PB connectorTrack System:Four-track stereo and monoImpedance80k2Maximum sensitivity:30.5mVReel Size:7"maximum{-28dB1Tape Speed:格enescm/s and 9.5 cm/s)Outputs:Two LINE OUTputs:100k20.775V0dB)Recording Time:Tape speed4-track 4track(with1800ft.tape】stereomonoREC/PB connectorImpedance:100kn1.5 hrs 3 hrsOutput level:0.775V(0dB)3%ipsHEADPHONE output(9.5cm/s3 hrs 6 hrsImpedanceOutput level88383-26dB1with8 load (when lineFrequency Response:20~25,000 Hz at7%ips (19 cm/s)30~18,000 Hz at 3%ips (9.5 cm/s)output level is 0dB.)(with standard tape)54 dBSemiconductors:74 transistors and 92 diodesDimensions:1656Wx18(H)x9%6“(D)1422×457×243mm}Flutter and Wow:0.04%at 7%ips (19 cm/s)0.08%at3%ips(9.5cm/sWeight:441b8oz(20.2kgRecording Bias Frequency:Approx.120 kHzInputs:Two MIC inputsImpedance600nMaximum sensitivity:0.2 mV(-72dB)SONYOSERVICE MANUAL
请登录后查看评论内容