芬达Fender_vibro_king_manual维修手册含电器原理图

芬达Fender_vibro_king_manual维修手册含电器原理图-找手册网
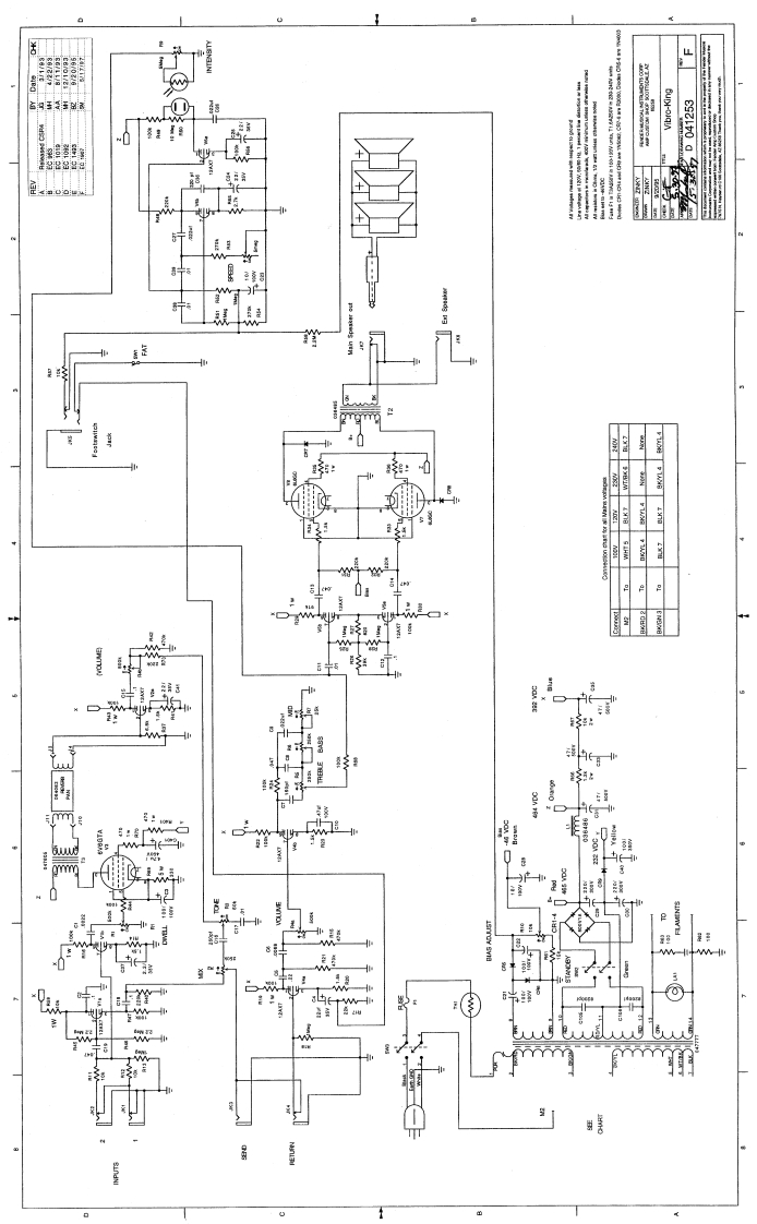
芬达Fender_vibro_king_manual维修手册含电器原理图
此内容为付费资源,请付费后查看
1921
立即购买
您当前未登录!建议登陆后购买,可保存购买订单
付费资源

第1页 / 共9页

第2页 / 共9页

第3页 / 共9页

第4页 / 共9页

第5页 / 共9页

第6页 / 共9页

第7页 / 共9页

第8页 / 共9页

第9页 / 共9页
已完成全部阅读,共9
THE END
VIBRO-KINGCUSTOM SHOP SERIESELECTRONICSSERVICE MANUAL⊙中息慧0●"3:a绿pg2Fender Musical Instruments Corp.7975 North Hayden Road Scottsdale,AZ 85258
喜欢就支持一下吧
评论 抢沙发

请登录后发表评论

    请登录后查看评论内容