

第1页 / 共34页

第2页 / 共34页

第3页 / 共34页

第4页 / 共34页

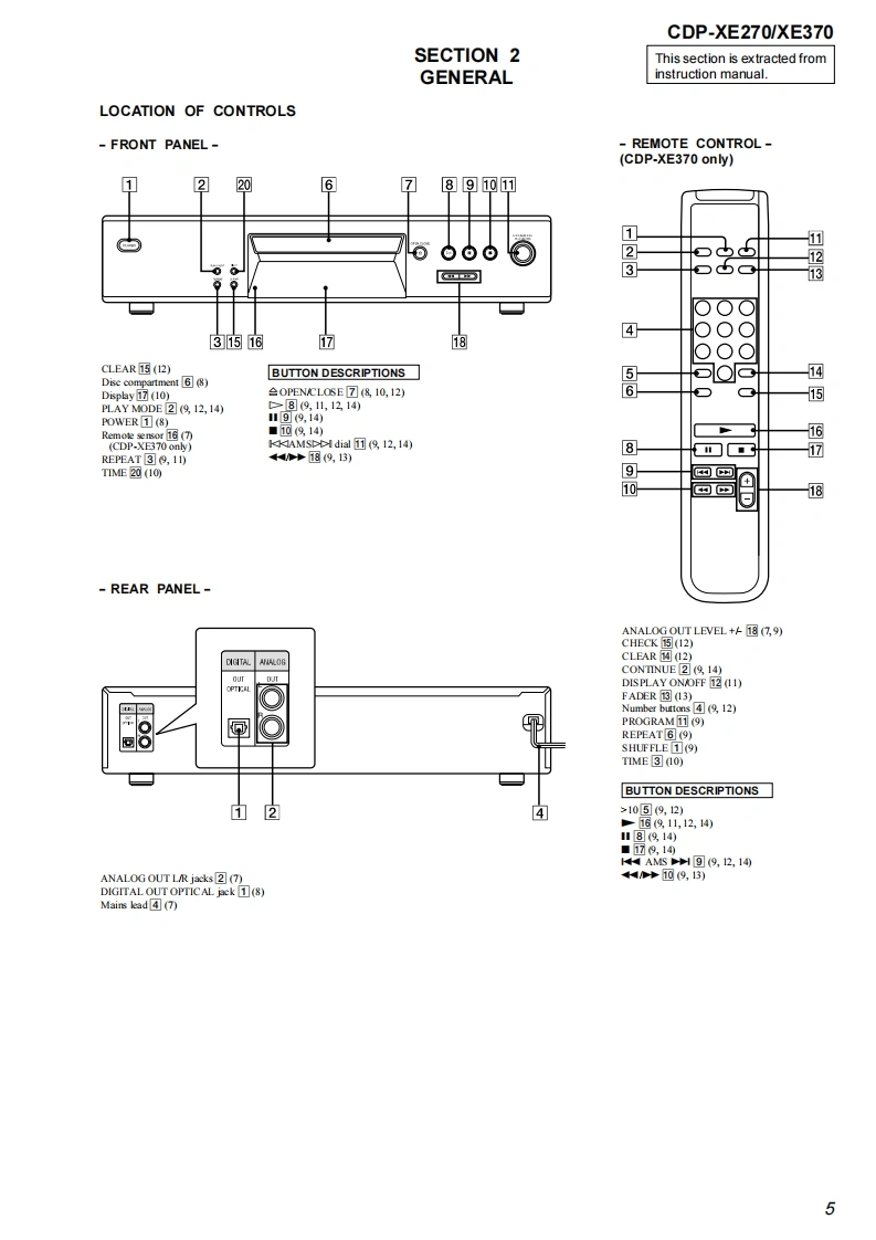
第5页 / 共34页

第6页 / 共34页

第7页 / 共34页

第8页 / 共34页

第9页 / 共34页

第10页 / 共34页
试读已结束,还剩24页,您可下载完整版后进行离线阅读
THE END
CDP-XE270/XE370SERVICE MANUALUS ModelCDP-XE270/XE370Ver1.12001.07Canadian ModelCDP-XE270AEP ModelUK ModelEModelo00⊙Australian ModelCCDP-XE270/XE370Photo:CDP-XE370Model Name Using Similar MechanismNEWCD Mechanism TypeCDM66-5BD27Base Unit NameBU-5BD27Optical Pick-up NamePXR-104XSPECIFICATIONSCompact disc playerGeneralLaserSemiconductor laser (Power requirements780nm)Where purchasedEmission duration:Power requirementscontinuousUS,Canadian models 120 VAC,60 HzFrequency response2zto20kHz±0.5dBMore than 93 dBAEP,UK models230VAC50W60H2Dynamic rangeHarmonic distortion0.0045%Australian model240 VAC,50/60 HzOutputsSingapore model220V-230VAC,500HzPower consumption11WJackMaximumLoadDinons(approx.)430x95x290mmtypeoutput level im pedance(w/hd)incl.projecting partsANALOGPhono2VOver 10Mass (approx.)CDP-XE370:3.2 kgoUTjacks(t50kilohmsCDP-XE270:3.2 kgkilohms)DIGITALOptical-18dBmWave length:Supplied accessoriesOUToutput660nm(OPTICAL)connectorme)C)R6(size AA)batteries(2)(CDP-XE370 only)Design and specifications are subject to changewithout notice.COMPACT DISC PLAYER9-929-591-12Sony Corporation2001G0500-1Home Audio Company©2001.7Shinagawa Tec Service Manual Production GroupSONY
请登录后查看评论内容