

第1页 / 共62页

第2页 / 共62页

第3页 / 共62页

第4页 / 共62页

第5页 / 共62页

第6页 / 共62页

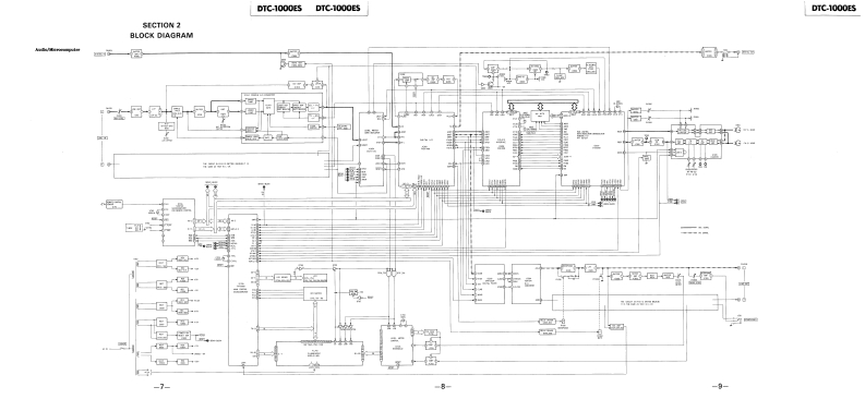
第7页 / 共62页

第8页 / 共62页

第9页 / 共62页

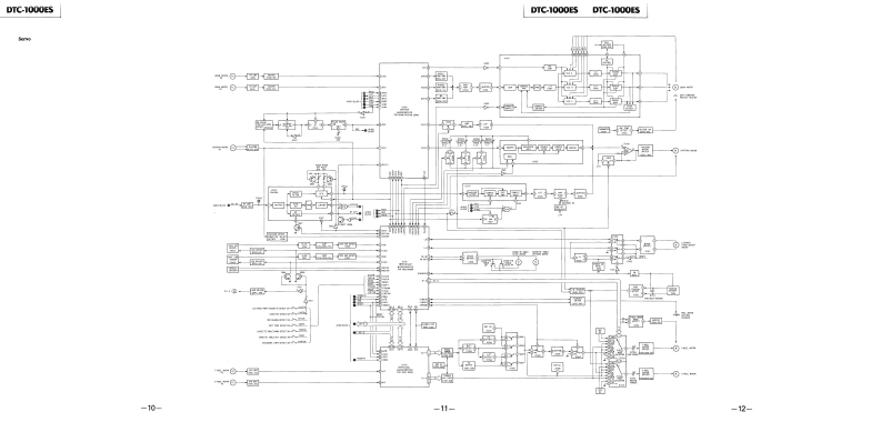
第10页 / 共62页
试读已结束,还剩52页,您可下载完整版后进行离线阅读
THE END
0C-1000SSERVICE MANUALAEP ModelUK Model微电子时空基准带好音乐的休闲时光fzmcu.taobao.comSPECIFICATIONSSystemDigital audio tape recorderGeneralTapeDigital audio tapePower requirements220V AC,50/60Hz(AEP model)Recording systemRotary head240V AC,50Hz (UK model)Recording time120 minutes (with DT-120)Power consumption48WTape speed8.15mm/sDimensionsApprox.470×100×420mm(wh/dDrum rotationApprox.2,000 rpm(18h×35/s×16 inches)Error correctionDouble Reed Solomon codeincl.side woodNumber of channel2 channels,stereoApprox.430×100×420mmwh/dD/A conversion16-bit linear(1615/:s×315/s×162 inches)Frequency response2-22,000Hz±0.5dBexcl.side woodSignal to noise ratioMore than 92 dBWeightApprox.12 kg (26 Ib 7 oz)Dynamic rangeMore than 90 dBincl.side woodTotal harmonic distortionLess than 0.0055%Wow and flutterBelow measurable limitSupplied accessoriesInputRemote commander (1).....RM-R1Input jacksJack typeImpedanceRated input levelSony batteries SUM-3(NS)(2)Audio connecting cords(2 phono plugs x 2 phono plugs,LINE INPhono50 kohms-10 dBsstereo,for line inputs and outputs)(2)DIGITALPhono75 ohms0.5 Vp-pScrews to secure the cabinet(4)*OutputRemote commander (supplied).....RM-R1Infrared controlOutput jacksJack typeImpedanceLoadRemote control systemRated outputimpedancePower requirements3 V DC.with R6 (size AA)batteriesDimensionsLINE OUTMore thanApprox.67×175×18mmwh/dPhono470 ohms10 dBs10 kohms(2/a×6/a×s inches)HEADApprox.145 g (5 oz)Stereo150 ohms0-28mW32 ohmsWeightPHONESincl.batteriesphoneDIGITALPhono75 ohms0.5 Vp-p75 ohmsOUTThe side wood panels on both sides of the deck aredetachable.After removing the screws,secure the cabinetTapewith the supplied lock screws (four M4x6).Track pitch13.6um20.4m)For safety,before doing this,be sure to disconnect the ACSampling frequency48 kHz,44.1 kHz,32 kHzpower cord from the AC outlet.Modulation system8-10 ModulationTransfer rate2.46 Mbit/sec.(before modulation)DIGITAL AUDIO TAPE DECKSONY
请登录后查看评论内容