

第1页 / 共55页

第2页 / 共55页

第3页 / 共55页

第4页 / 共55页

第5页 / 共55页

第6页 / 共55页

第7页 / 共55页

第8页 / 共55页

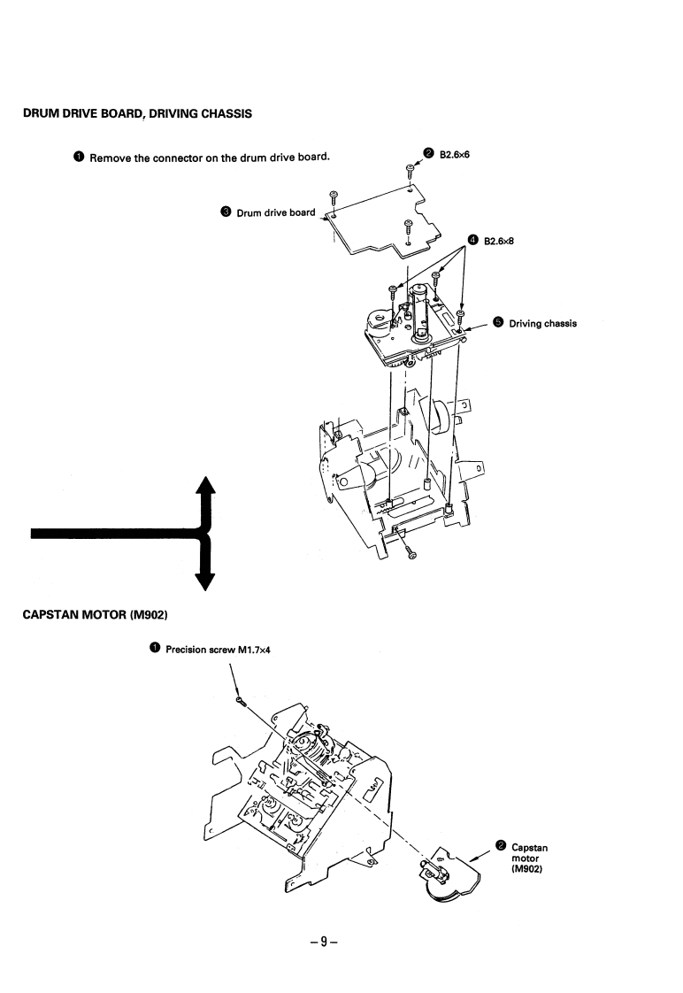
第9页 / 共55页

第10页 / 共55页
试读已结束,还剩45页,您可下载完整版后进行离线阅读
THE END
微电子时空基准带好音乐的休闲时光fzmcu.taobao.comDTC-670SERVICE MANUALUS ModelCanadian ModelAEP ModelSPECIFICATIONSModel Name Using Similar Mechanism DTC-57ESTapeDigital audio tapeTape Transport Mechanism TypeDATM-100Recording headRotary headRecording timeStandard:120 minutesLong-play mode:240 minutes(with DT-120)Wow and flutterTape speedStandard:8.15 mm/s,Long play mode:4.075 mm/sDrum rotationStandard:2,000 rpm.InputLong-play mode:1,000 rpmJack typeImpedanceRated input levelError correctionDouble Read Solomon codeLINE INphono jack47 kohms-4 dBsTapeTrack pitch13.6um(20.4m)DIGITAL INphono jack75 ohms0.5Vp-p,20%Sampling frequency48 kHz,44.1 kHz,32 kHzModulation system8-10 ModulationDIGITAL INoptical jackTransfer rate2.46 Mbit/sec.Number of channel2 channels,stereoD/A conversion(Quantization)OutputJack typeImpedanceRatedLoadStandard:16-bit linearoutputimpedanceLong-play mode:12-bitnon-linearphono jack470 ohms-4 dBsMore thanFrequency responseStandard:2-22,000 Hz(+0.5LINE OUT10 kohmsdB)Long-play mode:2-14,500 Hzstereo220 ohms1.3mW32 ohms(±0.5dB)PHONESSignal to noise ratioStandard:more than 90 dBphone jackLong-play mode:more than 90dBDIGITAL OUT (optical jack):wavelength 660 nmDynamic rangeStandard:more than 90 dBLong-play mode:more than 90dBTotal harmonic distortionStandard:less than 0.005%(1continued on next pagekHz)Long-play mode:less than0.08%(1kHz)DIGITAL AUDIO TAPE DECKBelow measurable limit(±0.001%W.PEAK)SONY
请登录后查看评论内容