

第1页 / 共30页

第2页 / 共30页

第3页 / 共30页

第4页 / 共30页

第5页 / 共30页

第6页 / 共30页

第7页 / 共30页

第8页 / 共30页

第9页 / 共30页

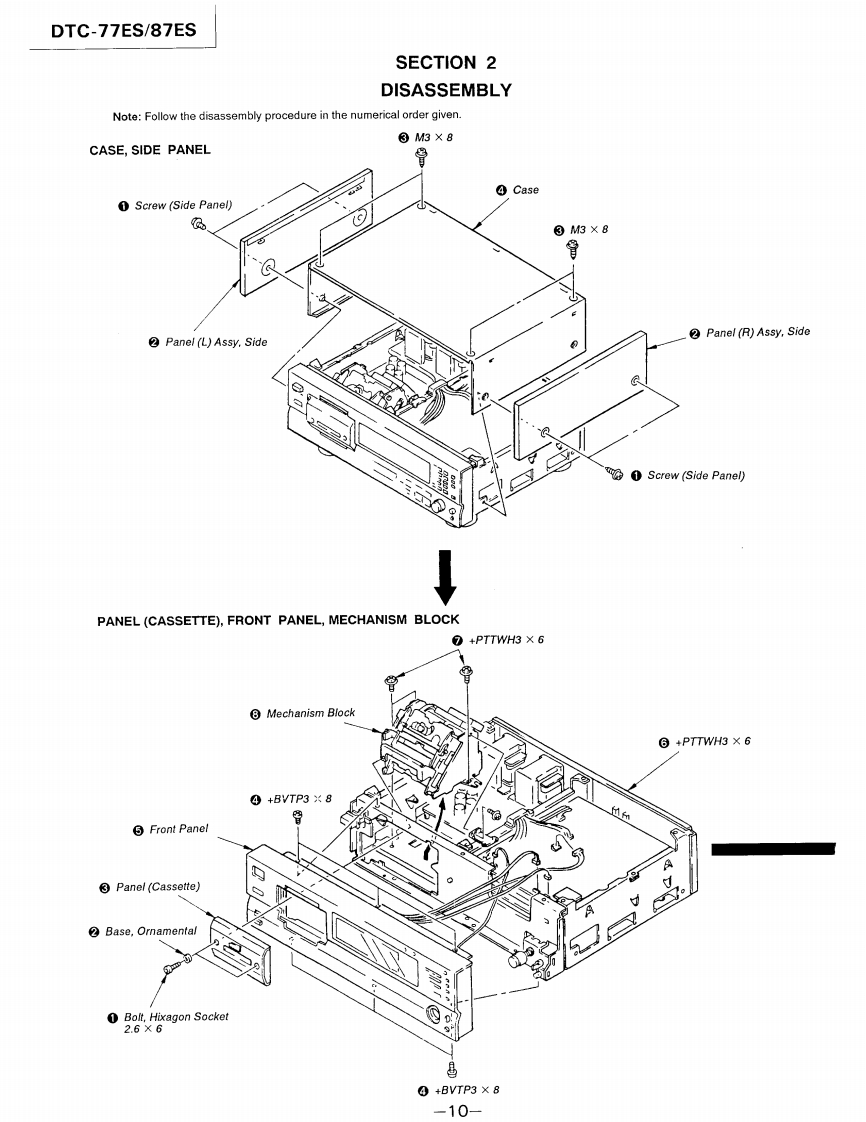
第10页 / 共30页
试读已结束,还剩20页,您可下载完整版后进行离线阅读
THE END
DTC-77ES/87ESSERVICE MANUALUS ModelDTC-87ESAEP ModelUK ModelDTC-77ESPhoto:DTC-87ES微电子时空基准带好音乐的休闲时光Model Name Using Similar Mechanism New Mechanismfzmcu.taobao.comTape Transport Mechanism TypeDATM-51SPECIFICATIONSTapeDigital audio tapeDTC-77ESDTC-87ESRecording headRotary headSignal to noiseSPRecording timeStandard:120 minutes.ratioLPmore than 93 dBmore than 94 dBmore than 93 dBLong-play mode:240 minutesDynamic rangemore than 93 dBmore than 94 dB(with DT-120)LPmore than 93 dBTape speedStandard:8.15 mm/s,Long play mode:4.075 mm/sTotal harmonicSPless than 0.0045%less than 0.004%distortion (1 kHz)LPDrum rotationStandard:2,000 rpm,less than 0.08%less than 0.08%Long-play mode:1,000 rpmSP:standard-play modeError correctionDouble Read Solomon codeLP:Long-play modeTapeWow and flutterBelow measurable limitTrack pitch13.6μm(20.4μm)(±0.001%W.PEAK)Sampllng frequency48 kHz,44.1 kHz,32 kHzModulation system8-10 ModulationTransfer rate2.46 Mbit/sec.Number of channel2 channels,stereoD/A conversion (Quantization)Standard:16-bit linearLong-play mode:12-bitnon-linearFrequency responseStandard:2-22,000 Hz (0.5dB)Long-play mode:2-14,500 Hz(±0.5dB)Continued on next page-DIGITAL AUDIO TAPE DECKMICROFILMSONY
请登录后查看评论内容