

第1页 / 共59页

第2页 / 共59页

第3页 / 共59页

第4页 / 共59页

第5页 / 共59页

第6页 / 共59页

第7页 / 共59页

第8页 / 共59页

第9页 / 共59页

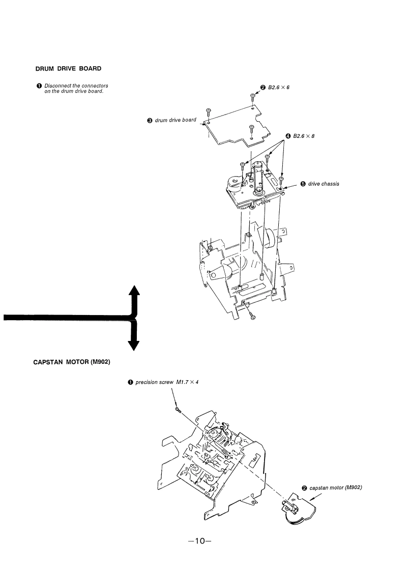
第10页 / 共59页
试读已结束,还剩49页,您可下载完整版后进行离线阅读
THE END
微电子时空基准带好音乐的时光fzmcu.taobao.comDTC-A7SERVICE MANUALUS ModelCanadian ModelModel Name Using Similar MechanismDTC-57ESTape Transport Mechanism TypeDATM-100SPECIFICATIONSTapeDigital audio tapeOutputRecording headRotary headJack typeImpedanceRatedLoadRecording timeStandard:120 minutes.outputImpedanceLong-play mode:240 minutes(with DT-120)LINE OUTphono jack470 ohms-4 dBsMore than 10Tape speedStandard:8.15 mm/skohmsLong play mode:4.075 mm/sDrum rotationSlandard:2,000 rpm,PHONESstereo220 ohms1.3mw32 ohmsLong-play mode:1,000 rpmphone jackError correctionDouble Read Solomon codeTapeDIGITALphono jack75 ohms0.5Vp-pTrack pitch13.6μm(20.4μmOUT±20%Sampling frequency48 kHz,44.1 kHz.32 kHzModulation system8-10 ModulationTransfer rate2.46 Mbit/sec.DIGITAL OUT (optical jack):wavelength 660 nmNumber of channel2 channels,stereoD/A conversion (Quanlization)GeneralStandard:16-bit linearPower requirements120 VAC,60 HzLong-play mode:12-bit non-finearPower consumption33WFrequency responseStandard:2-22,000 Hz (+0.5 dB)DimensionsApprox.430 x 125 x 350 mm (w/h/d)Long-play mode:2-14,500 Hz±0.5dB)(161ye×4ye×13%,inches)WeightApprox.7kg(15Ib7o2】Signal to noise ratioStandard:more than 90 dBLong-play mode:more than 90 dBRemote commander(supplied)Dynamic rangeStandard:more than 90 dBRemote control systemInfrared controlLong-play mode:more than 90 dBTotal harmonic distortionStandard:less than 0.005%(1 kHz)Power requirements3V DC.with two size AA(R6)batteriesLong-play mode:less than 0.08%Approx.63 x 19 x 175 mm (w/h/d)(1 kHz)Dimensions(2,×y,×6f,inches)Wow and llutterBelow measurable limitWeightApprox.130 g (5 oz)incl.batteries(±0.001%W.PEAK)InputDesign and specifications are subject to change without noticeJack typeImpedanceRated input levelLINE INphono jack47 kohms-4 dBsDIGITAL INphono jack75 ohms0.5Vp-p,±20%DIGITAL INoptical jackDIGITAL AUDIO TAPE DECK望月特北5片面村0二SONY
请登录后查看评论内容