

第1页 / 共48页

第2页 / 共48页

第3页 / 共48页

第4页 / 共48页

第5页 / 共48页

第6页 / 共48页

第7页 / 共48页

第8页 / 共48页

第9页 / 共48页

第10页 / 共48页
试读已结束,还剩38页,您可下载完整版后进行离线阅读
THE END
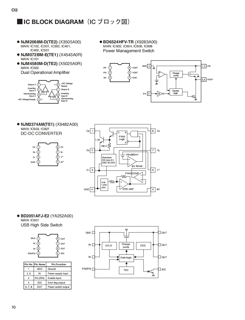
ADVANCED INTEGRATION USB STUDIOc12SERVICE MANUALstoinbergsteinberg■CONTENTS(目次)GENERAL SPECIFICATIONS(一般仕樣)3PANEL LAYOUT(/パ礻儿亻了7卜).4CIRCUIT BOARD LAYOUT(ユ二y卜亻予ヴ卜)5DISASSEMBLY PROCEDURE(分解手順).6LSI PIN DESCRIPTION(LS1端子機能表)8IC BLOCK DIAGRAM(ICブ口y夕☒).10CIRCUIT BOARDS(之一卜基板☒).11INSPECTIONS(検查)..13/19SOFTWARE INSTALLATION(y7卜7rT)>Z卜-L)25/29START-UP SEQUENCE(起動-ヶ>又).33/34PARTS LISTBLOCK DIAGRAM(ブ口y夕ダ亻T5ラ厶)CIRCUIT DIAGRAM(回路☒)SY011960YAMAHA20091026.才-ブ寸与1入HAMAMATSU,JAPANCopyright (c)Yamaha Corporation.All rights reserved.PDF'09.09
请登录后查看评论内容