

第1页 / 共93页

第2页 / 共93页

第3页 / 共93页

第4页 / 共93页

第5页 / 共93页

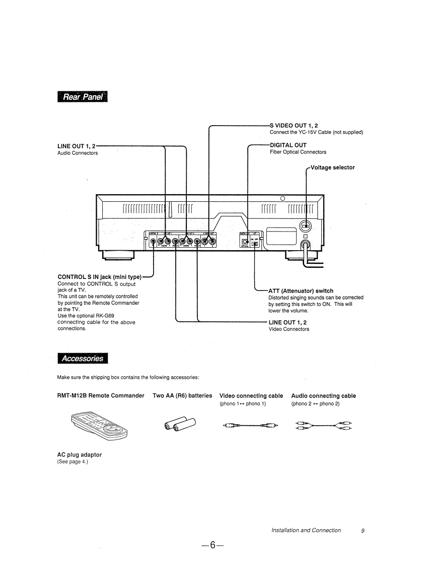
第6页 / 共93页

第7页 / 共93页

第8页 / 共93页

第9页 / 共93页

第10页 / 共93页
试读已结束,还剩83页,您可下载完整版后进行离线阅读
THE END
MDP-455SARMT-M12BSERVICE MANUALEModelSPECIFICATIONSTypeCD/CDV/LD PlayerVideo specificationsSignal readoutOptical (Laser beam reflection)Horizontal video425 linesSignal format systemEIA standard,NTSC color systemresolutionPlaying time(minutes)Signal-to-noise ratioMore than 50 dB30cm(12in)Input/output specificatlonsdouble-sidedVideo output 1,21.0 Vp-p,75 ohms,unbalancedStereo L.RCAV20 cm (8 in)Audio output 1,2double-sided28Analog:200 mVrms(1 kHz,40%modulation)20 cm (8 in)single-sided14Digital:200 mVrmsLD(1 kHz,-20 dB)30cm(12in)120S video output 1,2Luminance:1 Vp-p,75 ohms,double-sidedunbalanced,sync negative20 cm (8 in)Chrominance:0.286 Vp-p,CLVdouble-sided675 ohms,unbalanced20 cm (8 in)Audio digital output-18 dBm,wavelength 660 nmsingle-sided(optical)Headphone output28 mW (32 ohms)12 cm (5 in)Impedance =8 ohmssingle-sidedCDCONTROL S INMini jack8 cm (3 in)20Mic jackStandard jacksingle-sided1mV(Impedance below 1 kiloohm)Audio portion20CDVMeasured according to EIAJ (Electronic IndustriesVideo portion5Association of Japan)standards.Digital audio specificationsContinued on next pate-Frequency response4Hzto20kHz(±0.3dB)Signal-to-noise ratioMore than 115 dB (EIAJ)*Dynamic rangeMore than 99 dB (ELAJ)Wow and flutteBelow measurement limit(±0.001%W.PEA9(EIA)coE品CD/CDV/LD PLAYERSONY
请登录后查看评论内容