

第1页 / 共47页

第2页 / 共47页

第3页 / 共47页

第4页 / 共47页

第5页 / 共47页

第6页 / 共47页

第7页 / 共47页

第8页 / 共47页

第9页 / 共47页

第10页 / 共47页
试读已结束,还剩37页,您可下载完整版后进行离线阅读
THE END
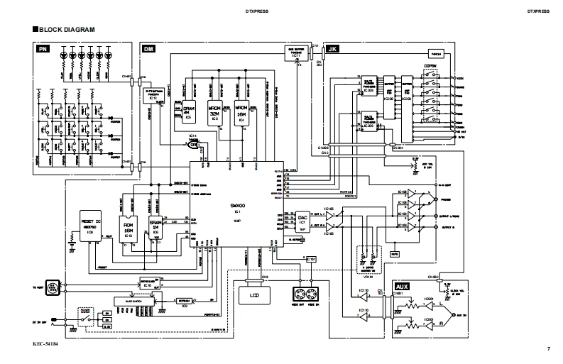
DRUM TRIGGER MODULEPRESSSERVICE MANUALOYAMAHADTXPRESS■CONTENTS(目次为SPECIFICATIONS…3/4PANEL LAYOUT.6CIRCUIT BOARD LAYOUT................................6BLOCK DIAGRAM..>DISASSEMBLY PROCEDURE6LSI PIN DESCRIPTION.…10IC BLOCK DIAGRAM..11CIRCUIT BOARDS............12TEST PROGRAM.....16/22MIDI DATA FORMAT....30/32ERROR MESSAGES.................................4/35MIDI IMPLEMENTATION CHART........36PARTS LIST米YAMAHAED011469HAMAMATSU.JAPAN19990601-480001.25K-058 Printed in Japan'99.5
请登录后查看评论内容