

第1页 / 共69页

第2页 / 共69页

第3页 / 共69页

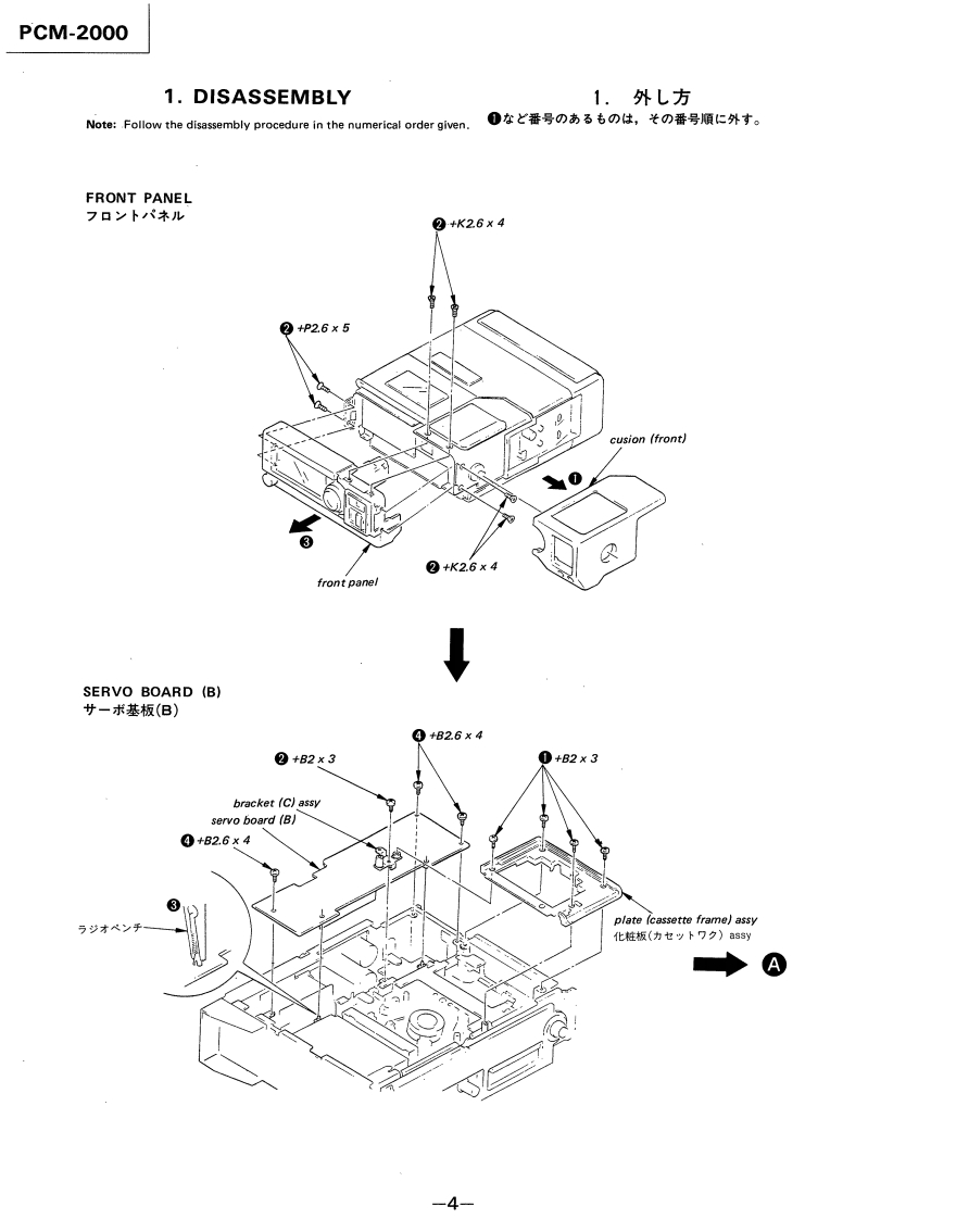
第4页 / 共69页

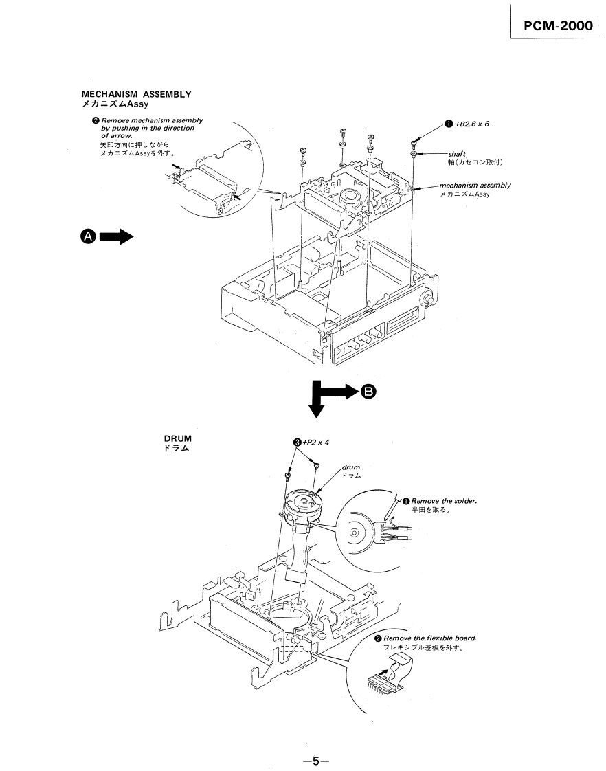
第5页 / 共69页

第6页 / 共69页

第7页 / 共69页

第8页 / 共69页

第9页 / 共69页

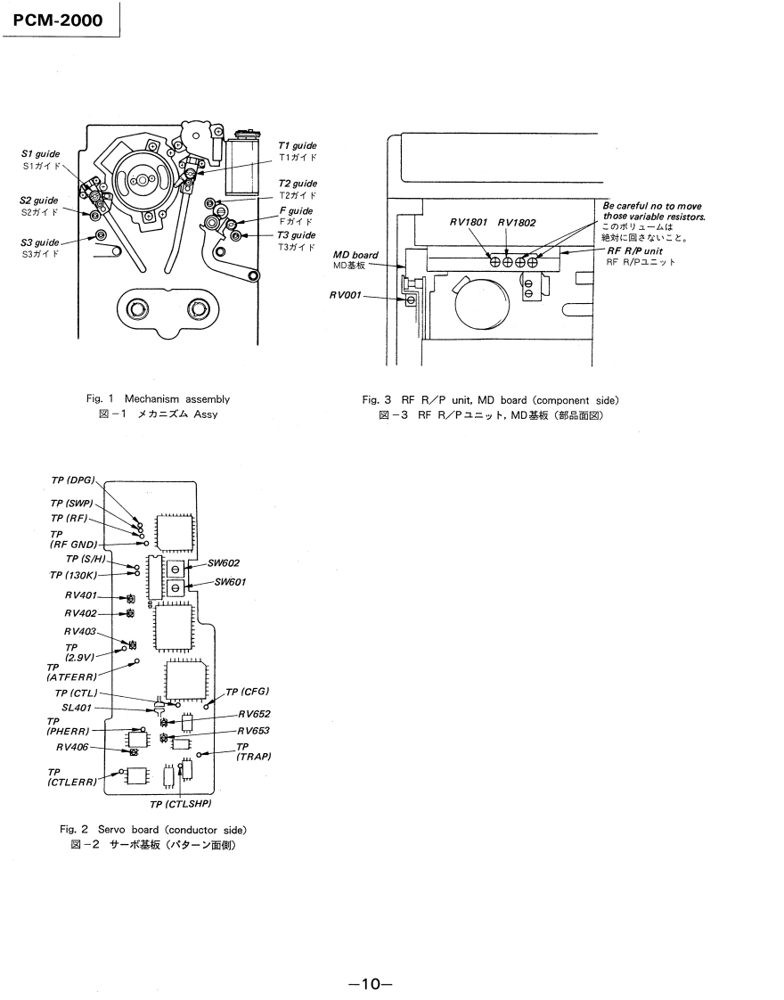
第10页 / 共69页
试读已结束,还剩59页,您可下载完整版后进行离线阅读
THE END
PCM-2000SERVICE MANUALUS,Canadian ModelSerial No.800,301 and laterSECOND EDITIONAEP Model第2版Serial No.500,251 and later機番800,301以降TABLE OF CONTENTS目次Specifications.................................................2概略仕梯+444+44。e00++4400++449900+++4e00444…00“++4444…0000e00▣e0e年21.DISASSEMBLY…41.外L方44400444440044444404444444444440044444444=00000+0000+4442.ADJUSTMENT…72。調整…Mechanica!Adjustment .....................12機精部裯整…12Electrical Adjustment14電氡部调整143.DIAGRAMS…263.匀ヤ岁与么…26PC Board Location...............26基板配置☒26Wavefo0rms…28波形☒.28N0tS33回路☒.才)卜☒/一卜33MD Section Printed Wiring Boards ..........36MD部才卜☒…36MD Section Schematic Diagram ........39MD部回路☒…39Audio Section Schematic Diagram ............42才一子4才部回路图42Audio Section Printed Wiring Boards .....45才一デ分才部才)卜☒…45Digital Section Printed Wiring Boards....47デ逆夕儿部)>卜☒47Digital Section Schematic Diagram .......49子罗夕儿部回路☒…Servo Section Schematic Diagram ....52沙一木术部回路☒…Servo Section Printed Wiring Boards......55沙一术部ブ列之卜☒…55Display Section Printed Wiring Boards ..57子才又才才部卜☒…67Display Section Schematic Diagram......59子1又才亻部回路☒59Semiconductor Lead Layouts ..............61半導体外形☒…4.EXPLODED VIEWS AND PARTS LIST.....634.分粱☒/部品表。5.ELECTRICAL PARTS LIST................715.電氨部品表71DIGITAL AUDIO RECORDERSONY.
请登录后查看评论内容