

第1页 / 共14页

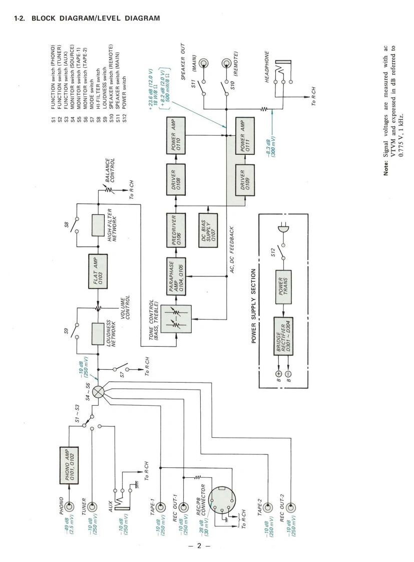
第2页 / 共14页

第3页 / 共14页

第4页 / 共14页

第5页 / 共14页

第6页 / 共14页

第7页 / 共14页

第8页 / 共14页

第9页 / 共14页

第10页 / 共14页
试读已结束,还剩4页,您可下载完整版后进行离线阅读
THE END
TA-1066USA,Canada.AEPand UK ModelINTEGRATED STEREOAMPLIFIERSPECIFICATIONSPOWER AMPLIFIER SECTIONInput sensitivityand impedance:PHONO2.5 mV,50 k ohmsContinuous RMSTUNERpower output:At 1 kHzAUX(rated output)20 watts (8 ohms).TAPE-1,TAPE-2250 mV,50 k ohms(less than 0.8 THD)26 watts (4 ohms)REC/PB (input)one channel drivenseparately18 watts (8 ohms)per channel.Signal output and22 watts(4 ohms)per channeloutput impedance:REC OUT250 mV,10 k ohmsboth channels driven simultaneouslyREC/PB (output)30 mV,82 k ohmsDynamic power output:50 watts (8 ohms)GENERAL(IHF constant power75 watts(4ohms】supply method)Power requirements:120 volts ac (USA and Canada Model)110,127,220.240 volts acPower bandwidth:10 Hz to 40 kHz (8 ohms,IHF)(AEP and UK Model)Harmonic distortion:Less than 0.8 at rated outputPower consumption:55 watts (USA Model)80 watts (Canada Model)IM distortion:Less than 0.8 at rated output140 watts (AEP and UK Model)(60Hz:7kHz=4:1)Dimensions:410(w)×120h)×280(d)mmPREAMPLIFIER SECTION16/8wl×46(h)×11h6(d)inchesFrequency response:PHONORIAA equalizationNet weight:6.0 kg (13 Ib 4 oz)curve±1dBTUNERAUX20 Hz to 60 kHzTAPE-1,TAPE-2±3dBREC/PB(input)SONYSERVICE MANUAL
请登录后查看评论内容