

第1页 / 共38页

第2页 / 共38页

第3页 / 共38页

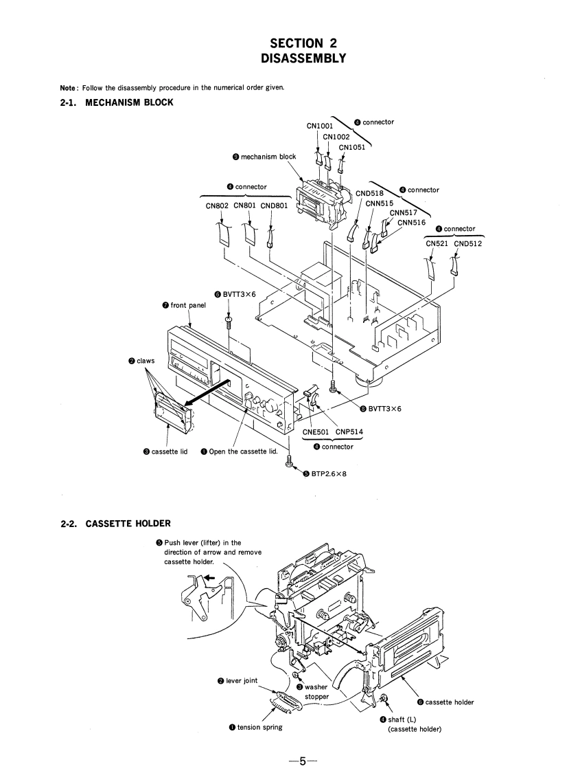
第4页 / 共38页

第5页 / 共38页

第6页 / 共38页

第7页 / 共38页

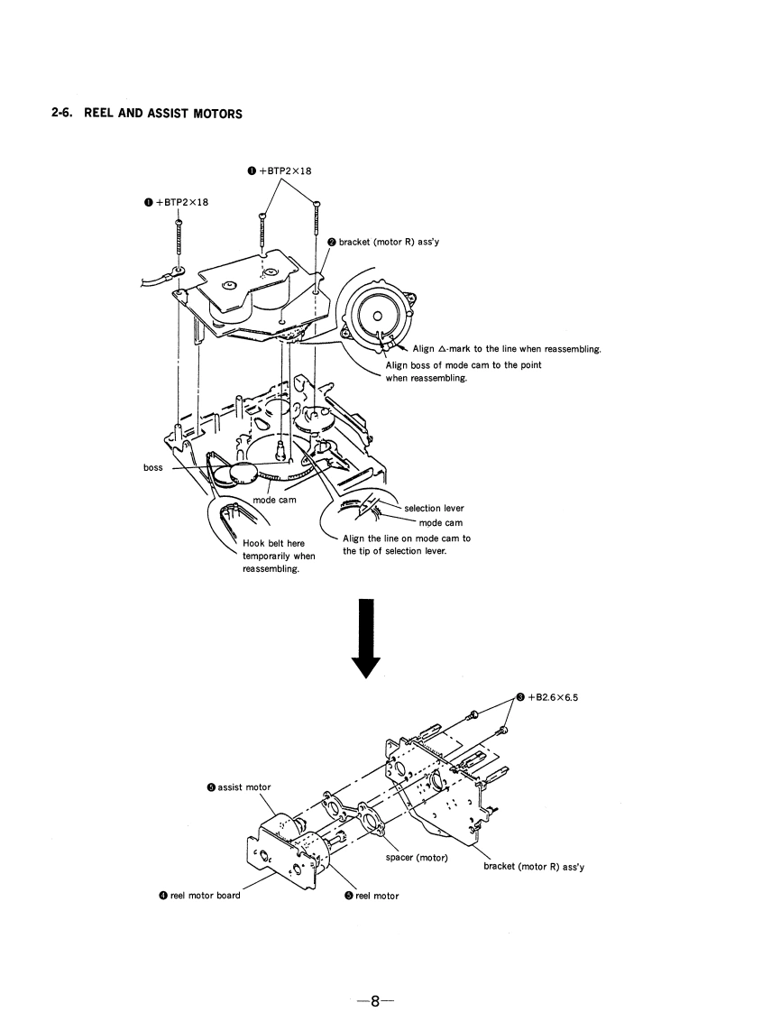
第8页 / 共38页

第9页 / 共38页

第10页 / 共38页
试读已结束,还剩28页,您可下载完整版后进行离线阅读
THE END
TC-K611S/K707ES/K711SSERVICE MANUALUS ModelCanadian ModelTC-K611S/K707ESAEP ModelTC-K611S/K711SUK ModelTC-K611SE ModelTC-K707ESAustralian ModelPhoto:TC-K611STC-K611S/K707ESDolby noise reduction manufactured under license fromModel Name Using Similar MechanismTC-K679ES/K690Dolby Laboratories Licensing Corporation."DOLBY"and the double-D symbol Do are trademarks ofTC-K611STCM-200V15Dolby Laboratories Licensing Corporation.Tape TransportTC-K707ESTCM-200V16Mechanism TypeTC-K711STCM-200V17SPECIFICATIONSRecording system4-track 2-channel stereoFrequency response(Dolby NR off)Fast winding timeApprox.90 sec.(with Sony C-60Type IV cassetteTC-K707ES:20-21,000Hz (3dB,IEC)cassette)(Sony ES-IV)TC-K611S/K711S:20-20.000HzBiasAC bias(±3dB.IEC)20-16,000Hz [+3dB(-4dB recording)]HeadsErasing head x 1Type ll cassetteTC-K707ES:20-19,000Hz (3dB,IEC)(TC-K707ES/K711S:S&F(Sony UX-S or UX)TC-K611S/K711S:20-18.000Hzhead,K611S:F&F head)(±3dB,IECRecording head x 1(SD head)Type I cassettePlayback head×1(Sony HF-S)20-17,000Hz(±3dB,1EC)(TC-K611S/K711S:SDWow and flutter±0.09%W,Peak(lEC)head,K707ES:LA head)0.05%W.RMS (NAB)MotorsCapstan motor x 1(DC servo motor)±0.14%W.Peak(DIN)Reel motor x 1 (DC motor)InputsAssist(mechanism drive)motor x 1Line inputsSensitivity0.16V(DC motor)(phono jacks)Input impedance47 k ohmsSignal-to-noise ratio(at peak level and weighted)OutputsCassetteType IVType llType lLine outputsRated output0.5 V at a load(Dolby NR off)(Sony ES-IV)(Sony UX-S(Sony HF-S)(phono jacks)levelimpedance ofor UX)47 k ohms61 dB59 dB57 dBLoadOver 10 k ohmsimpedanceS/N ratio improvement (approximate values)HeadphonesOutput level0-3 mW at a loadWith Dolby B NR on 5 dB at 1 kHz;10 dB at 5 kHzstereo phone jack)impedance ofWith Dolby C NR on 15 dB at 500 Hz;20 dB at 1 kHz32 ohmsWith Dolby S NR on 10 dB at 100 Hz;24 dB at 1 kHzContinued on next pageHarmonic distortion0.4%(with Sony HF-S,160 nWb/m,STEREO CASSETTE DECK315 Hz,3rd H.D.)1.5%(with Sony ES-IV,250 nWb/m,315 Hz,3rd H.D.)SONY
请登录后查看评论内容