

第1页 / 共51页

第2页 / 共51页

第3页 / 共51页

第4页 / 共51页

第5页 / 共51页

第6页 / 共51页

第7页 / 共51页

第8页 / 共51页

第9页 / 共51页

第10页 / 共51页
试读已结束,还剩41页,您可下载完整版后进行离线阅读
THE END
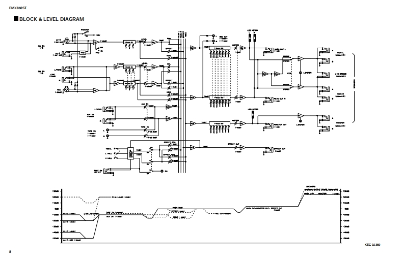
E屋毫0TPOWERED MIXERSERVICE MANUAL零YAMAHA6EMX860r☑0C08000■CONTENTSSPECIFICATIONS.3/4PANEL LAYOUT411181488CIRCUIT BOARD LAYOUT1BLOCK DIAGRAM111DISASSEMBLY PROCEDURE9LSI PIN DESCRIPTION11IC BLOCK DIAGRAM11CIRCUIT BOARDS12INSPECTION15MIDI INPLEMENTATION CHART25PARTS LISTYAMAHAPA011457HAMAMATSU,JAPAN19990220.998001.96K-296Printed in Japan '99.03
请登录后查看评论内容